Порог срабатывания предохранителей
Из описанного выше становится ясно, что предохранитель в автомобиле разрушается в случае превышения номинального значения электричества. Плавкая часть предохранителя перегревается и сгорает.
Номинальный ток предохранителя рассчитывается по формуле: Inom=Pmax/U.
- Inom – это номинальная величина тока, которая измеряется в Амперах;
- Pmax – это максимально возможная нагрузка, которую может обрабатывать тот или иной прибор. Мощность указывается на приборах и измеряется в Ваттах;
- U – это уровень напряжения сети. Данный показатель измеряется в Вольтах. Уровень напряжения в сети автомобиля составляет 12 Вольт.
Что такое предохранители
Автомобильные предохранители являются важным участком электрической цепи. Они предохраняют потребители от различных неисправностей, а также, защищают проводку и автомобиль в целом от возникновения пожаров.

Допустим, неопытный автомобилист производит ремонт автомобиля. Он забыл отключить минусовую клемму аккумулятора перед выполнением работ и при ремонте случайно замкнул плюсовой провод какого-то потребителя на массу автомобиля. Возникло короткое замыкание. В этот момент сила тока становится максимальной, а проводник начинает нагреваться.
Подобное явление может вывести из строя защищаемый прибор, аккумулятор или вообще вызвать пожар в машине. Чтобы этого не допустить, применяют предохранители. Выглядят они вот так:

Кроме того, предохранители могут отключить цепь при возникновении неисправности.
Их цвет подобран не случайно. Он является маркировкой номинального тока, на который рассчитан этот предохранитель. При превышении этого номинала, плавкая вставка внутри него перегорает. Номинал зависит от защищаемого потребителя или группы потребителей.
Разнообразие замков для ВАЗ 2109
Отказавшись от левостороннего расположения как в «классике», конструкторы позаботились о комфортном правом месте для использования ключа в первых переднеприводных своих авто. Это добавило эргономичности в салоне. Для выполнения своей функции основной, используемый для старта автомобиля, элемент оснащен двумя составными блоками:
Первый блок отвечает за фиксацию руля, в то время, когда изъят ключ. Во втором блоке имеется распиновка замка зажигания ВАЗ-2109, на которую возложена миссия по подаче напряжения на электроприборы-потребители.

Разработчики предусмотрели наличие определенных электрических приборов в девятой модели «Лады», которые способны работать вне зависимости от состояния блока зажигания. К ним относятся:
- автомобильная мигающая аварийка;
- «стопы» из тыльных фонарей;
- габаритная оптика;
- салонное освещение;
- лампочки света щитка приборов.
Необходимо учитывать, что схема замка зажигания ВАЗ-2109 подстраивается под его непосредственную разновидность. В «девятках» может быть установлено два типа замков:
- поздний образец, в котором предусмотрено три положения, не используется реле и активация осуществляется коротким ключом;
- ранний образец, в котором есть четыре фиксированных положения, встроено реле и предусмотрен длинный ключ.
Обычно водители легко визуально определяют тип установленной системы. Можно ориентироваться по рабочей длине ключика.
электрооборудования Схема ВАЗ 21074
В автомобилях ВАЗ электрическая 21074 энергия доставляется к потребителям по однопроводной плюсовой: «схеме» вывод каждого электроприбора запитан от минусовый, «источника» подключён к «массе», т. е. присоединён к кузову средства транспортного. Благодаря такому решению упрощается электрооборудования ремонт и замедляется процесс коррозии. Все автомобиля электроприборы запитаны от АКБ (при выключенном или) моторе генератора (при работающем двигателе).
В проводки схеме ВАЗ 21074 инжектор имеются электробензонасос, ЭСУД, форсунки, датчики управления работой Ознакомьтесь
vaz проводки ВАЗ 21074 инжектор
заводского с Выпущенные конвейера инжекторные версии «семёрки», индексы имеют:
- LADA 2107–20 — в соответствии со стандартом LADA-2;
- Евро 2107–71 — для китайского рынка;
- 21074-LADA–20 (Евро-2);
- LADA-21074–30 (Евро-3).
В модификациях инжекторных ВАЗ 2107 и ВАЗ 21074 ЭСУД используются (электронная система управления двигателем), форсунки, электробензонасос, датчики управления и контроля параметров Как. двигателя следствие — возникла необходимость в дополнительной внутрисалонной и подкапотной проводке. Кроме того, ВАЗ ВАЗ и 2107 21074 оснащены дополнительным блоком предохранителей и реле, расположенным под бардачком. К дополнительному подводится блоку проводка, запитывающая:
- предохранители:
- силовых главного цепей реле;
- цепи постоянного питания цепи;
- контроллера реле электробензонасоса;
- реле:
- главное;
- электровентилятора;
- бензонасоса;
- диагностический разъём.
Дополнительный блок реле и предохранителей ВАЗ 2107 инжектор расположен бардачком под
электроэнергией Обеспечение
За обеспечение потребителей электроэнергией в «семёрке» АКБ:
- отвечают напряжением 12 В, ёмкостью 55 Ач;
- генератор типа Г-или 222 37.3701;
- регулятор напряжения Я112В, автоматически который поддерживает напряжение в пределах 13,6–14,7 В.
Схема эергообеспечения системы ВАЗ 21074 инжектор включает аккумулятор, генератор и регулятор напряжения
Запуск двигателя
пуска Система в ВАЗ 21074 — это запитанный от стартер АКБ и замок зажигания. В цепи стартера два предусмотрено реле:
- вспомогательное, которое подаёт выводы на питание стартера;
- втягивающее, благодаря которому сцепление происходит вала стартера с маховиком.
Система ВАЗ в пуска 21074 — это запитанный от АКБ реле с стартер и замок зажигания
Система зажигания
В версиях ранних седьмой модели ВАЗ использовалась система контактная зажигания, которая имела в своём катушку:
- составе зажигания;
- распределитель с контактным прерывателем;
- зажигания свечи;
- высоковольтную проводку.
Контактная система ВАЗ зажигания 21074 состоит из катушки, распределителя, зажигания свечей и высоковольтных проводов
В 1989 году так появилась называемая бесконтактная система зажигания, в которой схему вошли:
- Свечи зажигания.
- Распределитель.
- Датчик.
- Экран Холла.
- Электронный коммутатор.
- Катушка Монтажный.
- зажигания блок.
- Блок реле.
- Ключ и зажигания замок.
В 1989 году появилась бесконтактная зажигания система, в схему которой были добавлены Холла датчик и электронный коммутатор
В «семёрках» с инжекторными используется двигателями более современная схема зажигания. этой Работа схемы основана на том, что датчиков от сигналы поступают на ЭБУ (электронный блок который), управления на базе полученных данных генерирует импульсы электрические и передаёт их на специальный модуль. После напряжение этого повышается до требуемой величины и по высоковольтным подаётся кабелям на свечи зажигания.
В инжекторных «семёрках» системы работой зажигания руководит электронный блок ЭБУ управления
Наружное освещение
Система наружного включает освещения:
- Блок-фары с габаритами.
- Подсветку пространства подкапотного.
- Монтажный блок.
- Освещение бардачка.
- подсветки Выключатель приборов.
- Задние фонари с габаритами.
- номеров Подсветку.
- Переключатель ламп наружного света.
- индикации Лампочка наружного освещения (в спидометре).
- Ключ Схема.
зажигания подключения наружного освещения ВАЗ поможет 21074 при устранении неисправностей блок-задних и фар фонарей
Вспомогательное оборудование
К вспомогательному дополнительному или электрооборудованию ВАЗ 21074 относят:
- стеклоомывателя:
- электромоторы;
- стеклоочистителя;
- вентилятора отопителя;
- вентилятора охлаждения радиатора;
- прикуриватель;
- часы.
В схеме подключения используются стеклоочистителей:
- Моторедукторы.
- ЭД омывателя фар.
- Монтажный Замок.
- блок зажигания.
- Выключатель омывателя.
Моторедукторы приводят стеклоочистителя в действие трапецию, которая перемещает «ветровому» по дворники стеклу
Принцип работы предохранителя
В автомобилях используются плавкие предохранители и подбираются в соответствии с номинальной допустимой нагрузкой. В случае чрезвычайной ситуации, когда напряжение возрастает, плавкая вставка предохранителя разрушается и размыкает электрическую цепь.
Процесс саморазрушения запускается в случае:
- Короткого замыкания – возникает в том случае, если была нарушена изоляция токопроводящих частей или неправильного подключения приборов. Проблема перетертых кабелей изоляции в автомобиле вообще одна из самых частых причин перегорания предохранителей.
- Несовместимости мощностей устройства-потребителя и номинальной силы тока, дозволенная для конкретной электрической цепи. С этой проблемой сталкиваются те, кто решил установить в свою машину дополнительное электрооборудование (освещение, магнитолы и иже с ними). Такие мощные потребители энергии питаются от базовой электропроводки, которая не рассчитана на столь высокую величину тока. Из-за превышения мощности тока провода оплавляются и приводят к короткому замыканию, что и выводит предохранители из строя.
Руководство по демонтажу и замене
Если вы не знаете, как снять и как разобрать монтажное устройство или предохранительные элементы и как заменять старый блок на новый, то рассмотрим по очереди каждую инструкцию.
Самостоятельно меняем плавкие предохранители
Прежде чем приступить к замене предохранительных устройств, расположенных в основном блоке, необходимо выключить зажигание и клеммы от аккумуляторной батареи под капотом.
Процедура замены осуществляется так:
- Найдите место установки устройства. На пластиковой накладке блока имеются фиксаторы, на них следует нажать. Сняв накладку, вы сможете увидеть схему, нанесенную на обратную сторону, здесь указывается месторасположения и назначение всех применяемых элементов.
- Затем нужно выявить, какое устройство вышло из строя и подлежит замене. Иногда определить поломку можно визуально — сам компонент может быть перегоревший, иногда в нем явно видна оборванная нить.
- Под крышкой девайса вы увидите пинцет, его можно использовать для снятия устройства. При отсутствии пинцета можно взять пассатижи.
- Извлеките выгоревший элемент и замените его на новый, после чего установите на место крышку и подключите клеммы аккумулятора (видео снято и опубликовано каналом AVTOCLUB_22).
Замена плавких предохранителей противотуманных фар
При поломке противотуманной оптики следует в первую очередь произвести диагностику работы устройства. Компонент расположен в салоне машины.
Для проверки и замены выполните следующие действия:
- Сначала вам потребуется крестовая отвертка, используйте ее для снятия двух переключателей, расположенных в средней части консоли, в районе установки аудиосистемы.
- Используя отвертку, вам необходимо будет отжать два крепления.
- Затем снимите пластиковую вставку.
- Теперь вы сможете извлечь корпус предохранителя. Демонтируйте защитную крышку устройства и произведите замену детали на новую.
1. Снимите два переключателя отверткой.
2. Нажмите на крепления колодки.
3. Извлеките вставку и достаньте устройство.
Меняем блок предохранителей
Снятие и замена блока с компонентами производится так:
- Для начала откройте моторный отсек своей машины и выполните демонтаж корпуса воздухофильтра. Выкрутите гайки, которые фиксируют корпус, крестообразной отверткой.
- Затем под девайсом вы сможете увидеть штекер с кабелями, подсоединенными к девайсу, вам нужно отключить его. На самом корпусе изделия нанесена маркировка в цветах, она соответствует цвету подсоединенных разъемов. С учетом этих штекеров можно избежать необходимости маркировки кабелей.
- После этого следует залезть в салон транспортного средства и снять полочку, которая находится под контрольным щитком. После этого открутите болты, которые держат корпус бардачка.
- Далее, отключите штекер с кабелями, подсоединенными к разъемам непосредственно устройства. Сделав это, вы сможете увидеть цветную маркировку.
- Используя гаечный ключ, выкрутите болты, которые крепят сам блок. Учтите — самый крайний винт на корпусе скрыт, поэтому вы не сможете его сразу увидеть.
- В конце снимите блок с устройствами, теперь девайс можно заменить. Монтаж нового девайса, а также сборка компонентов осуществляется в обратном порядке.
В монтажном блоке предохранителей собраны некоторые элементы управления электрооборудованием автомобиля марки ВАЗ и большинство плавких предохранителей, защищающих электрические цепи от короткого замыкания и перегрузки. Располагается он в подкапотном пространстве с левой стороны, сразу на металлической перегородке между отсеком двигателя и кабиной. Вот фото (верх лево):

Инжектор и карбюратор
Как правило, принципиальная электрическая схема авто подобной модификации строится по следующему принципу:
- проворачиваемый в замке зажигания ВАЗ 2107 ключ запускает стартер и провоцирует подачу электропитания на клеммы;
- начинает активно функционировать коленвал и поршневая система;
- запускается генератор;
- поступление питания на катушку;
- передача электрического импульса к трамблеру;
- проход заряда к свечам зажигания.

Если после длительных стараний запустить двигатель не представляется возможным, в первую очередь необходимо проверить схему электрооборудования ВАЗ 2107
Должное внимание следует уделить состоянию контактов, которые в результате подгорания вполне могут провоцировать неполадку
Система, содержащая в себе карбюратор, должна быть проверена на предмет работоспособности бегунка и, как обычно, свечей. Примерно в 90% случаев после таких манипуляций удается найти проблему.
Некоторые модели УАЗ и ВАЗ имеют бесконтактную систему зажигания. Внутри нее установлен электронный коммутатор, установленный между катушкой и трамблером. Благодаря тому, что в автомобиле установлена подобная схема подключения, стоит транспортное средство на порядок дороже.
Модификация, получившая название инжекторной, отличается наличием огромного множества электронных компонентов. Их замена обычно осуществляется в условиях СТО, однако попробовать справиться с трудностями можно и самостоятельно.
Для этих целей рекомендуется выполнить следующие действия:
Любая схема электропроводки ВАЗ может быть диагностирована и починена в один день
Важно лишь четко соблюдать инструкцию и постоянно сверяться с тем, как реализована схема подключения на бумаге и реальной жизни. Несоответствия, пусть даже редко, имеют место быть
Именно поэтому мастеру следует быть начеку.
Схема блока предохранителей ВАЗ 2107 (полная электрическая схема)
| № реле/ предохранителя | Обозначения |
| 1 | Блок-фары |
| 2 | Боковые указатели поворота |
| 3 | Аккумуляторная батарея |
| 4 | Реле включения стартера |
| 5 | Электропневмоклапан карбюратора |
| 6 | Микровыключатель карбюратора |
| 7 | Генератор 37.3701 |
| 8 | Моторедукторы очистителей фар* |
| 9 | Датчик включения электродвигателя вентилятора |
| 10 | Электродвигатель вентилятора системы охлаждения двигателя |
| 11 | Звуковые сигналы |
| 12 | Распределитель зажигания |
| 13 | Свечи зажигания |
| 14 | Стартер |
| 15 | Датчик указателя температуры охлаждающей жидкости |
| 16 | Подкапотная лампа |
| 17 | Датчик сигнализатора недостаточного давления масла |
| 18 | Датчик сигнализатора недостаточного уровня тормозной жидкости |
| 19 | Моторедуктор очистителя ветрового стекла |
| 20 | Блок управления электропневмоклапаном карбюратора |
| 21 | Катушка зажигания |
| 22 | Электродвигатель насоса омывателя фар* |
| 23 | Электродвигатель насоса омывателя ветрового стекла |
| 24 | Монтажный блок |
| 25 | Реле очистителя ветрового стекла |
| 26 | Реле аварийной сигнализации и указателей поворота |
| 27 | Выключатель сигнала торможения |
| 28 | Выключатель света заднего хода |
| 29 | Реле зажигания |
| 30 | Выключатель зажигания |
| 31 | Трехрычажный переключатель |
| 32 | Выключатель аварийной сигнализации |
| 33 | Штепсельная розетка для переносной лампы** |
| 34 | Переключатель вентилятора отопителя |
| 35 | Дополнительный резистор электродвигателя отопителя |
| 36 | Лампа сигнализатора включения обогрева заднего стекла |
| 37 | Лампа сигнализатора недостаточного уровня тормозной жидкости |
| 38 | Блок сигнализаторов |
| 39 | Электродвигатель вентилятора отопителя |
| 40 | Лампа освещения вещевого ящика |
| 41 | Выключатели плафонов на стойках передних дверей |
| 42 | Выключатели фонарей сигнализации открытых передних дверей*** |
| 43 | Фонари сигнализации открытых передних дверей*** |
| 44 | Соединительная колодка |
| 45 | Прикуриватель |
| 46 | Часы |
| 47 | Выключатель освещения приборов |
| 48 | Диод для проверки исправности лампы сигнализатора недостаточного уровня тормозной жидкости |
| 49 | Указатель уровня топлива |
| 50 | Лампа сигнализатора резерва топлива |
| 51 | Спидометр |
| 52 | Лампа сигнализатора включения указателей поворота |
| 53 | Лампа сигнализатора прикрытия воздушной заслонки карбюратора |
| 54 | Лампа сигнализатора заряда аккумуляторной батареи |
| 55 | Выключатель сигнализатора прикрытия воздушной заслонки карбюратора |
| 56 | Комбинация приборов |
| 57 | Эконометр |
| 58 | Выключатели плафона на стойках задних дверей |
| 59 | Указатель температуры охлаждающей жидкости |
| 60 | Тахометр |
| 61 | Лампа сигнализатора включения стояночного тормоза |
| 62 | Лампа сигнализатора недостаточного давления масла |
| 63 | Лампа сигнализатора включения дальнего света фар |
| 64 | Лампа сигнализатора включения наружного освещения |
| 65 | Вольтметр |
| 66 | Выключатель сигнализатора включения стояночного тормоза |
| 67 | Выключатель наружного освещения |
| 68 | Выключатель обогрева заднего стекла с лампой подсветки |
| 69 | Выключатель заднего противотуманного света с сигнализатором включения* ** *** |
| 70 | Предохранитель цепи противотуманного света |
| 71 | Плафон**** |
| 72 | Задние фонари |
| 73 | Датчик указателя уровня и резерва топлива |
| 74 | Колодки для подключения к элементу обогрева заднего стекла* |
| 75 | Фонари освещения номерного знака |
Порядок условной нумерации штекеров в колодках:
а — блок-фар, очистителей фар и ветрового стекла, реле очистителя ветрового стекла, блока управления электропневмоклапаном карбюратора;
б — монтажного блока и трехрычажного переключателя;
в — реле аварийной сигнализации и указателей поворота;
г — задних фонарей (нумерация выводов по порядку от края платы);
д — выключателя аварийной сигнализации.
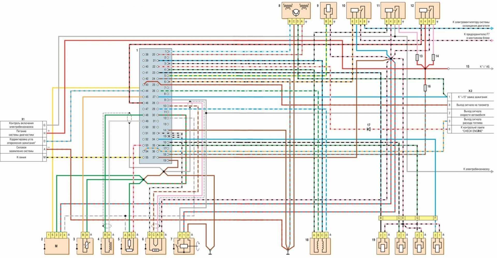
ВАЗ 2107 — схема инжектора (система управления впрыска топлива)

| № реле/ предохранителя | Обозначения |
| 1 | Разъем контроллера |
| 2 | Датчик массового расхода воздуха |
| 3 | Датчик температуры охлаждающей жидкости |
| 4 | Датчик положения коленчатого вала |
| 5 | Датчик положения дроссельной заслонки |
| 6 | Датчик концентрации кислорода |
| 7 | Датчик скорости |
| 8 | Модуль зажигания |
| 9 | Электромагнитный клапан продувки адсорбера |
| 10 | Реле электровентилятора |
| 11 | Реле электробензонасоса |
| 12 | Главное реле |
| 13 | Предохранитель, защищающий силовую цепь реле электробензонасоса |
| 14 | Предохранитель, защищающий силовые цепи главного реле |
| 15 | Плавкая вставка |
| 16 | Предохранитель, защищающий цепь постоянного питания контроллера |
| 17 | Диод |
| 18 | Регулятор холостого хода |
| 19 | Форсунки |
| Х1 | Колодка диагностики |
| Х2 | Колодка соединения с системой электрооборудования автомобиля |
НЕ РАБОТАЕТ ОМЫВАТЕЛЬ ЛОБОВОГО СТЕКЛА
Для удаления загрязнений с лобового стекла совместно со стеклоочистителем задействуется омыватель. Устройство разбрызгивает воду или специальную жидкость. Основными элементам этого механизма являются:
- бачок для жидкости;
- моторчик;
- форсунки;
- соединительные трубки.

Насос омывателя расположен в бачке и подает жидкость по трубкам к форсункам
В процессе эксплуатации автомобиля с омывателем могут возникать различные неполадки, которые приводят к отсутствию его работоспособности:
- выход из строя моторчика;
- перегорание предохранителя;
- перегибания трубок;
- поломка подрулевого переключателя;
- плохой контакт по цепи питания.
ПРОВЕРКА МОТОРЧИКА
Отсутствие работоспособности насоса омывателя легко проверить. Для этого достаточно открыть капот и потянуть на себя рычаг подрулевого переключателя, отвечающего за функцию подачи жидкости на ветровое стекло. В этот момент работа моторчика будет отчётливо слышна. Если же этого не происходит, то неисправность может быть вызвана как в самом насосе, так и в предохранителе либо другой части электрической цепи. Чтобы убедиться, что неполадка кроется именно в моторчике, щупами мультиметра замеряем напряжение при включении омывателя. Если напряжение есть, а насос не работает, то нужно позаботиться о его замене.
ВИДЕО: ПРОВЕРКА МОТОРЧИКА ДВОРНИКОВ НА «КЛАССИКЕ»
ФОРСУНКИ
Если моторчик работает, а жидкость через форсунки не подаётся, то проблему выявить будет несложно, поскольку причин такого явления всего несколько:
- засор штуцеров форсунок;
- соскочила подающая трубка;
- перегибание трубки.
Определить неисправность можно при осмотре трубок от моторчика к форсункам. Если участков с перегибами нет и трубка не слетела, то причина кроется в засоре распылителей, которые можно прочистить швейной иглой и продуть компрессором.

Если моторчик и трубки омывателя находятся в исправном состоянии, то стоит прочистить форсунки при помощи иглы и компрессора
ПРЕДОХРАНИТЕЛЬ И МОНТАЖНЫЙ БЛОК
Целостность предохранителя проверяют таким же образом, как и для стеклоочистителей. За работу омывателя отвечает тот же защитный элемент, что и для дворников. Кроме предохранителя иногда перегорает дорожка в монтажном блоке, по которой подаётся питание на омыватель. В этом случае нужно разобрать блок предохранителей и восстановить токопроводящий элемент посредством пайки, предварительно зачистив дорожку от лака.

Иногда в монтажном блоке происходит перегорание дорожки, которую можно восстановить посредством пайки
ПОДРУЛЕВОЙ ПЕРЕКЛЮЧАТЕЛЬ
К проверке подрулевого переключателя на ВАЗ 2107 стоит приступать в том случае, если предохранитель, моторчик и вся электрическая цепь, по которой подаётся напряжение к насосу, находится в исправном состоянии. Проводка в этом случае не должна иметь обрывов, оплавленной изоляции и других видимых повреждений. Чтобы проверить подрулевой переключатель будет достаточно только мультиметра. Отключив разъёмы от рассматриваемого устройства, соединяем щупы прибора в режиме прозвонки с двухконтактной колодкой. Если переключатель исправен, то в режиме включения омывателя прибор покажет нулевое сопротивление. В противном случае механизм придётся заменить.
Расшифровка предохранителей
Расшифровка предохранителей и защищаемых ими цепей, сведена в таблицу, расположенную ниже.
| Обозначение предохранителя | Номинал предохранителя, А | Оберегаемые цепи |
|---|---|---|
| F1 | 8 | Лампочки заднего хода. Электродвигатель печки. Сигналка и релюшка подогрева заднего стекла (обмотка) |
| F2 | 8 | Дворники и омыватели лобового стекла. Щетки и омыватели фар. Релюшка стеклоочистителя. Реле дворников и форсунок фар (контакты) |
| F3 | — | Запасной |
| F4 | — | Запасной |
| F5 | 16 | Сетка обогрева заднего стекла и релюшка (контакты) |
| F6 | 8 | Прикуриватель. Электро розетка переноски. Часы. лампочки сигнализации открытых передних дверей |
| F7 | 16 | Звуковой сигнал, релюшка сигнала. Электродвигатель вентилятор охлаждения двигателя и релюшка электродвигателя (контакты) |
| F8 | 8 | Лампочки поворота в режиме аварийки. Переключатель и релюха прерыватель поворотников и аварийки |
| F9 | 8 | Обмотка возбуждения генератора |
| F10 | 8 | Лампочки поворота в режиме указания поворота и соответствующая контрольная лампа Релюха включения моторчика вентилятора (обмотка). Контрольные приборы. Контрольная лампа и релюшка контрольки заряда аккумулятора. Контролька резерва топлива, давления масла, стояночного тормоза и износа тормозных накладок, уровня тормозной жидкости. Реле-прерыватель контрольной лампы ручника Система управления пневмоклапаном карбюратора |
| F11 | 8 | Лампочки стоп-сигнала. Плафон света салона |
| F12 | 8 | Правая фара (дальний свет). Обмотка реле включения очистителей фар (при включенном дальнем свете) |
| F13 | 8 | Левая фара (дальний свет). Контролька включения дальнего света фар |
| F14 | 8 | Габариты левой фары. Габариты правого заднего фонаря. Лампочки номерного знака. Подкапотная лампа. Контролька включения габаритного света |
| F15 | 8 | Габаритка правой фары. Лампочка габарит левого заднего фонаря. Лампочка освещения прикуривателя. Лампы освещения приборов. Лампочка бардачка |
| F16 | 8 | Лампа правой фары ближнего света. Обмотка релюшки включения дворников фар (при включенном ближнем свете) |
| F17 | 8 | Лампочка левой фары ближнего света. Лампы задних фонарей противотуманного света*. Контролька включения противотуманок* |
Обозначение в таблице: * С 1988 г. оберегаются отдельным предохранителем, смонтированном в проводе около выключателя противотуманного света.
Ваз 2107 блок предохранителей описание
Электрооборудование автомобиля защищено плавкими предохранителями, установленными в монтажном блоке предохранителей.
Цепь заряда аккумуляторной батареи, цепи зажигания и пуска двигателя, обмотки реле включения ближнего и дальнего света фар не защищены предохранителями.
Все предохранители и вспомогательные реле смонтированы в отдельном блоке предохранителей, расположенном в отсеке двигателя. Кроме того, через монтажный блок осуществляется соединение пучков проводов отсека двигателя с пучком проводов панели приборов и с задним пучком. Условные номера штекеров в соединительных колодках монтажного блока и цвета присоединяемых к ним проводов указаны на рисунке в разделе «Распиновка блока предохранителей ваз 2107». Схема внутренних соединений монтажного блока представлена на рисунке в разделе «Схема блока предохранителей ваз 2107».
До 1998 г. применялись монтажные блоки только типа 15.3722 (старого образца). С 1998 г. на части выпускаемых автомобилей стали устанавливаться блоки предохранителей ВАЗ 2107 модели 40.3722 или 2105-3722010-17 повышенной надежности со штыревыми предохранителями. Все эти блоки имеют одинаковую схему внутренних соединений и полностью взаимозаменяемы.
В монтажных блоках 40.3722 или 2105-3722010-17 вместо предохранителей на 8 А ставятся предохранители на 10 А, а вместо 16 А — на 20 А.
На части автомобилей производства 80-х годов устанавливались монтажные блоки предохранителей типа 15.3722, изготовленные в бывшей СФРЮ. Они были не разборными и ремонту не подлежали. В случае нарушения внутренних соединений они должны были заменяться новыми.
Блоки предохранителей ваз 2107 отечественного производства можно разбирать и заменять у них блок печатных плат. Допускается припайка проводов взамен перегоревших токоведущих дорожек на печатных платах, но только если для этого не требуется рас соединение печатных плат.
Предохранители и реле ВАЗ 2107 их функции
Для удобства обслуживания и использования на авто ВАЗ 2107 предохранители(см.Как проводится замена предохранителей) и реле объединены и расположены в подкапотном пространстве авто в его правой части. В устройстве предохранители штырькового типа, имеют разную величину номинального тока. Реле снижают в момент включения прибора нагрузку, отключают определенные электрические цепи. Для определения исправности элемента открывается капот и пластиковая крышка блока, на которой указаны номинальные значения и названия предохранителей.
Обозначения предохранителей авто ВАЗ 2107
Назначение реле монтажного блока
- R1 – реле предназначено для включения обогрева стекла, расположенного сзади корпуса авто. Если не работает обогрев, проверяется реле и предохранитель F5. Сгоревшие или неисправные заменяются новыми, если элементы исправны, проверяются контакты проводов подключенных на заднем стекле к полоскам обогрева.
- R2 – для включения ламп дальнего света. Работает с предохранителями F12 и F13. При дальнем свете только в одной фаре нужно или замена лампы, или замена предохранителя ВАЗ 2107 — F12 или F13, которые соответствуют правой или левой фаре.
- R3 – включает фары ближнего света. Работает с предохранителями F16 и F17. При отсутствии света в обеих фарах меняется это реле. Если причина не устранена, нужна замена ламп или их предохранителей.
В блоке расположены разъемы для реле:
- 1 – включения омывателей и очистителей фар.
- 2 – включения предупредительного звукового сигнала. На фото показана перемычка, установленная для работы сигнала без данного реле.
- 3 – включения в системе охлаждения электродвигателя вентилятора. Перемычка устанавливается для работы вентилятора без этого реле.
- 4 – пинцет, необходимый для замены предохранителей.
- 5 – установка запасных предохранителей.
- 6 – пинцет, используемый для замены реле.
Расположение предохранителей в блоке ВАЗ 2107:
Всем привет сегодня рассмотрим предохранители на автомобиле ВАЗ 2107. Жгуты проводов на семёрке соединяются через блок предохранителей. Монтажный блок автомобиля играет важную роль и защищает от перегрузок, а так же от короткого замыкания.
Проверка и замена реле ВАЗ 2107
Рассмотрим процесс замены на примере реле системы обогрева заднего стекла. Этот элемент располагается в монтажном блоке. Более точно место установки можно узнать, посмотрев на схему, нанесенную на обратной стороне защитной накладки:
- Отключите зажигание и откройте блок предохранителей.
- Найдите реле, которое необходимо проверить и заменить.
- Демонтируйте его с помощью щипцов, которые находятся в корпусе блока.
- Установите вместо извлеченного устройства другое, заведомо рабочее. Можно использовать реле от системы очистки фар или головного света.
- Если диагностика показала, что извлеченное реле вышло из строя, установите вместо него новое.
Процесс проверки и замены аналогичен для всех устройств. Разница заключается только в их месте расположения:
- основные реле установлены в блок с предохранителями;
- устройство, обеспечивающее работу зажигания, а также световой сигнализации и поворотников, располагается в салоне транспортного средства, на передней панели за приборной комбинацией;
- реле активации стартерного устройства установлено в подкапотном пространстве, на правом брызговике;
- устройство очистки лобового стекла находится под комбинацией приборов со стороны водительского сиденья, оно фиксируется к кузову авто двумя болтами.






























