Однофазные асинхронные двигатели
Однофазный асинхронный двигатель получил распространение, по преимуществу, при мощности менее 0,5 кВт. Он имеет (рис. 25) однофазную рабочую обмотку статора 1 и короткозамкнутый ротор 3. Переменный ток I1, проходя по обмотке статора 1, вызывает пульсирующий магнитный поток, который не создает пускового момента.
Если каким-либо способом привести ротор во вращение в любую сторону, то он будет подхвачен тем вращающимся потоком статора, который вращается согласно с ротором.
Для получения вращающего пускового момента в статоре помещают вспомогательную обмотку 2, расположенную со сдвигом на 90° относительно рабочей обмотки. В обмотку 2 пропускают ток I2, сдвинутый при помощи конденсатора на 1/4 периода относительно тока I1.
Однофазный асинхронный двигатель с экранированными полюсами, выполняемый на мощности 0,5—30 Вт, очень прост по конструкции и получил широкое распространение там, где не требуется большой пусковой момент. На рис. 26 показан статор с выступающими полюсами 1, на которых помещена однофазная обмотка, состоящая из двух катушек 2. Эта обмотка создает пульсирующий поток. Полюсные наконечники имеют с одной стороны пазы, в которые помещены короткозамкнутые кольца 3, играющие роль вторичной обмотки трансформатора. В них наводятся токи, сдвинутые по фазе относительно тока в обмотке полюсов, и вследствие пространственного сдвига обмоток в воздушном зазоре получается слабый бегущий поток.
Рис. 25. Схема однофазного асинхронного двигателя

Рис. 26. Однофазный электродвигатель с экранированными полюсами
Короткозамкнутый ротор 4 приходит во вращение. Для улучшения рабочих характеристик двигателя между полюсами накладываются магнитные шунты 5 из стальных пластинок.
На что влияет мощность и крутящий момент?
Мощность преодолевает силу трения в движке, приводах и трансмиссии, аэродинамические нагрузки, а также силу качения колес. Чем больше мощность силового агрегата, тем лучше автомобиль сопротивляется этим силам, а соответственно способен достигать большей скорости.

При движении автомобиль преодолевает силу трения в движке, приводах, трансмиссии и т.д.
Но мощность зависит от оборотов движка – на холостом ходу она значительно меньше, нежели на максимальных оборотах. Как правило, производители указывают какого числа оборотов нужно достичь, чтобы получить максимальную мощность.
Сразу при старте большую мощность развить невозможно, так как в начале движения автомобиль работает на малых оборотах. Движок выдает полную мощность только по истечении некоторого времени, которое определяет крутящий момент. Другими словами он определяет то, как быстро автомобиль будет набирать обороты. А от числа оборотов, которое выдает двигатель, зависит запас его силы.
К примеру, если максимальное число оборотов составляет 6000, то за счет большего запаса, педаль газа будет уже не так легко вжиматься в пол. Но с другой стороны двигатель будет дольше набирать все эти обороты, а значит медленнее развивать скорость. А чем выше будет крутящий моменту двигателя, тем стремительнее будут набираться обороты и «лошадиные силы» будут более ощутимы при нажатии на педаль газа.
Бывает, что и при высоком значении крутящего момента автомобиль разгоняется медленно. Это связано с тем, что движку нужно набрать определенное число оборотов, а после их достижения включается его максимальный крутящий момент. Он позволяет двигателю быстрее реагировать на действия водителя.
Но зависимость крутящего момента от мощности
есть, потому что мощность характеризует непосредственно работу движка, а точнее – количество совершенных силовым агрегатом крутящих моментов за определенную единицу времени. То есть крутящий момент – это та самая работа двигателя.
Что такое пусковой момент в асинхронном двигателе

Пусковой момент на валу асинхронника – вращающий момент, который развивает на валу электрический асинхронный двигателя при следующих условиях: скорость вращения равна нулю (ротор неподвижен), ток имеет установившееся значение, к обмоткам электродвигателя подведено номинальное по частоте и напряжению питание, соединение обмоток соответствует номинальному режиму работы электродвигателя.
Под номинальным режимом понимают процесс функционирования электродвигателя, для которого он был разработан.
Пусковой момент часто называют моментом трогания, еще в литературе встречается термин начальный пусковой момент электродвигателя. Для вычисления пускового момента используют формулу: Мпуск = Мн*?пуск. Где: Мпуск – пусковой момент Мн – номинальный момент на валу электродвигателя. ?пуск – кратность пускового момента заданная в паспорте двигателя. Значение данного параметра варьируется в пределах от 1,5 до 6 для различных типов двигателей и нагрузок.
При выборе электродвигателя для оборудования важно следить что бы пусковой момент был больше чем статический момент нагрузки подключенной к валу электродвигателя. В случае если данное условие не выполняется асинхронный двигатель либо вообще не сможет разогнать нагрузку, либо разгон будет очень длительным
Источник
Общие характеристики двигателей
Все моторы имеют общие параметры, которые используются в формуле определения мощности электродвигателя. На их основе можно рассчитать свойства машины. В разной литературе они могут называться по-разному, но означают они одно и то же. В список таких параметров входит:
- Крутящий момент.
- Мощность двигателя.
- Коэффициент полезного действия.
- Номинальное количество оборотов.
- Момент инерции ротора.
- Расчетное напряжение.
- Электрическая константа времени.
Вышеуказанные параметры необходимы, прежде всего, для определения эффективности электрических установок, работающих за счет механической силы двигателей. Расчетные величины дают лишь приблизительное представление о реальных характеристиках изделия. Однако эти показатели часто используют в формуле мощность электродвигателя. Именно она определяет результативность машин.
Перегрузочная способность, кратности моментов и токов двигателя.
При анализе параметров двигателя обычно сравнивают значения параметров в пусковом и максимальном режимах с номинальным режимом. При этом используют не абсолютные значения моментов и токов, а относительные. т.е. отнесенные к номинальному режиму. Относительный максимальный момент двигателя определяет его перегрузочную способность,т.е. способность двигателя кратковременно выдерживать нагрузки, большие номинальной. В электрических машинах перегрузочная способность обозначает kм и определяется
В серийных асинхронных двигателях перегрузочная способность ( кратность максимального момента) лежит в пределах
Перегрузочная способность не имеет размерности и показывает во сколько раз по сравнению с номинальным моментом можно кратковременно повысить момент двигателя без ущерба для его работы.
Относительное значение пускового моментаkп (кратность пускового момента) определяет способность двигатели разгоняться до рабочей частоты вращения с полной нагрузкой на валу и определяется по формуле:
В серийных асинхронных двигателях кратность пускового момента лежит в пределах
Относительное значение пускового токаkТ (кратность пускового тока) определяет способность двигатели кратковременно выдерживать большие значения пускового тока и определяется по формуле:
В серийных асинхронных двигателях кратность пускового тока лежит в пределах
Из данной формулы можно сделать вывод, двигатель способен выдерживать ток в 7 раз больший, чем номинальный. Однако такое значение двигатель может выдержать кратковременно (несколько секунд). Если двигатель работает нормально, то этого времени достаточно, чтобы двигатель набрал обороты и значение тока уменьшились ( см. пусковые характеристики).
Если на валу двигателя большая механическая нагрузка, сам ротор очень тяжел, подшипники не прокручиваются или какие-либо другие неисправности, которые не позволяют быстро раскрутиться ротору двигателя, то большой пусковой ток будет протекать по обмоткам длительное время. Это приводит к перегреву обмоток, разрушению их изоляции и выходу двигателя из строя.
Для запуска тяжелых двигателей существуют специальные методы ограничения пускового тока (см. Занятие 40)
Дата добавления: 2014-12-24 ; ; ЗАКАЗАТЬ НАПИСАНИЕ РАБОТЫ
Источник
Какой вред от пускового тока?
Пусковой ток – это проблема. Это –
- перегрузка питающей сети, приводящая к нагреву (вплоть до отгорания контактов) и проседанию напряжения;
- чрезмерный износ, перегрузка и перегрев двигателя, у некоторых производителей среди параметров двигателя указывается максимальное количество пусков в час или в сутки – именно из-за перегрева;
- износ и перегрузка механического привода (подшипники, редукторы, ремни), особенно обладающего большим моментом инерции,
- помехи, вызванные включением контакторов, которые передаются не только по проводам, но и через электромагнитное поле,
- проблемы с технологией – многие процессы нельзя начинать резко.
От пускового тока перегружается всё, и момент пуска становится в тягость вcем участникам процесса. Именно в этот критический момент может проявиться “слабое звено”. Кроме того, многие участники электропитания, работающие в этой сети, испытывают проблемы – например, лампочки снижают яркость из-за снижения напряжения, а контроллеры могут зависнуть из-за мощной помехи.
И в то же время пусковой ток – это проблема, от которой никуда не деться, если сразу подавать на двигатель номинальное питание и не использовать специальные методы.
Поэтому разберём,
12.3. Вращающий момент асинхронного двигателя
       На ротор и полюсы статора
          действуют электромагнитные вращающие
          моменты, одинаковые по величине и направленные в противоположные стороны. 
                 Мощность, необходимая для вращения статорных
          полюсов с синхронной частотой,
        
,
                 где  
        — угловая скорость.
                 Механическая мощность, развиваемая ротором,
        
                 где  
        — угловая скорость ротора.
                 Разность мощностей
        
                 где   РЭ2 — электрические
        потери в роторной обмотке;
                         m2
        — число фаз обмотки ротора;
                         R2
         — активное сопротивление обмотки ротора;
                         I2
        — ток ротора.
        

откуда
(12.7).
Вращающий момент, с учетом ,
 .
.
                 где   ,
              КТ — коэффициент трансформации двигателя с заторможенным
        ротором.
        
,
                 где   U1 — напряжение
        сети.
        
 
 
             (12.8).
                 где   
            — константа.
        
         На рис. 12.5 изображена
          зависимость электромагнитного момента от скольжения в виде сплошной
          линии.
        
Рис. 12.5
                 Пусть исполнительный механизм, приводимый
        во вращение данным двигателем, создает противодействующий тормозной момент
        М2.
                 На рис.12.5 имеются две точки, для которых
        справедливо равенство  Мэм =
        М2;
        это точки  а и 
        в.
                 В точке 
        а двигатель работает устойчиво. Если двигатель под влиянием
        какой-либо причины уменьшит частоту вращения, то скольжение его возрастет,
        вместе с ним возрастет вращающий момент. Благодаря этому частота вращения
        двигателя повысится, и вновь восстановится равновесие 
        Мэм = М2;.
                 В точке 
        в работа двигателя не может быть устойчива: случайное отклонение
        частоты вращения приведет либо к остановке двигателя, либо к переходу
        его в точку  а.
                 Следовательно, вся восходящая ветвь
        характеристики является областью устойчивой работы двигателя, а вся нисходящая
        часть — областью неустойчивой работы. Точка 
        б, соответствующая максимальному моменту, разделяет области
        устойчивой и неустойчивой работы.
                 Максимальному значению вращающего момента
        соответствует критическое скольжение  Sk.
        Скольжению  S = 1 соответствует
        пусковой момент. Если величина противодействующего тормозного момента
         М2 больше пускового
        МП, двигатель при включении не запустится, останется неподвижным.
                 Максимальный момент найдем следующим
        образом. Сначала определим значение критического скольжения, при котором
        функция  Мэм будет
        максимальной. Для этого первую производную функции по скольжению 
        S от выражения  приравняем
        нулю.
        

откуда
. (12.9)
                 Подставив значение критического скольжения
        в формулу , получим
        
. (12.10)
Из формул (12.8), (12.9), (12.10) видно:
                 Механической характеристикой асинхронного
        двигателя называется зависимость частоты вращения двигателя от момента
        на валу n2 = f (M2). Механическую характеристику
        получают при условии U1 — const, f1 — const. Механическая
        характеристика двигателя является зависимостью вращающего момента от скольжения,
        построенной в другом масштабе. На рис. 12.6 изображена типичная механическая
        характеристика асинхронного двигателя.
        
| Рис. 12.6 | С увеличением нагрузки величина момента на валу возрастает до некоторого максимального значения, а частота вращения уменьшается. Как правило, у асинхронного двигателя пусковой момент меньше максимального. Это объясняется тем, что в пусковом режиме, когда n2 = 0, а S = 1 асинхронный двигатель находится в режиме, аналогичном короткому замыканию в трансформаторе. Магнитное поле ротора направлено встречно магнитному полю статора. | 
                 Результирующий, или основной, магнитный
        поток в воздушном зазоре машины в пусковом режиме, а также ЭДС в статоре
        и роторе Е1 и Е2 значительно уменьшаются. Это приводит
        к уменьшению пускового момента двигателя и к резкому возрастанию пускового
        тока. 
Как уменьшить пусковой ток асинхронного двигателя
Решить проблему большого пускового тока электрически можно двумя путями:
- Вначале подавать на двигатель пониженное напряжение, а затем, по мере разгона, напряжение и скорость вращения поднять до номинального значения. Такой способ применяется в электронных устройствах запуска двигателей – софтстартерах (УПП) и преобразователях частоты (частотниках).
- Использовать ограничители пускового тока, когда при пуске двигатель питается через мощные резисторы, а потом по таймеру переключается на номинал. Сопротивление резисторов соизмеримо с сопротивлением обмотки стартера (единицы Ом, в зависимости от мощности). Это устройство легко сделать самому (контактор + реле времени).
- Сразу подавать полное напряжение, но сначала подключать обмотки так хитро, чтобы двигатель не раскручивался на полную мощность. И только когда в этом режиме двигатель раскрутится насколько это возможно, включать его на полную. Эта схема называется “Звезда – Треугольник”, читайте в следующей статье.
Можно сконструировать какую-то муфту, коробку передач, вариатор – для того чтобы раскрутить двигатель вхолостую, а потом подключить потребителя механического момента.
В современном оборудовании двигатели мощнее 2,2 кВт практически никогда напрямую не включают, поэтому для них пусковые токи рояли не играют. Для уменьшения пускового тока (и не только) в основном применяют преобразователи частоты, о которых будут отдельные статьи.
Как узнать пусковой ток?
Кратность пускового тока (отношение пускового тока к номинальному) найти в документации на двигатель бывает не так-то просто. Но его можно измерить (оценить, узнать) самому. Вот навскидку несколько способов:
- Первый способ (лучший для теоретического изучения) – использовать осциллограф. Взять шунт (например, резистор 0,1…0,5 Ом, чем меньше по сравнению с обмотками, тем лучше), и посмотреть на нём осциллограмму в момент пуска. Далее из максимального амплитудного значения определяем действующее напряжение (поделить на корень из 2), далее по закону Ома считаем пусковой ток. Можно ничего не умножать и не делить – просто измерить клещами ток в рабочем режиме, и умножить его на разницу токов на экране осциллографа. Способ хорош тем, что видно переходные процессы, вызванные ЭДС самоиндукции, мгновенные значения тока, длительность разгона. Кроме того, учитываются параметры питающей сети. Ещё плюс – пусковой ток измеряется реальный, на реальном двигателе и механизме.
- Второй способ измерения пускового тока – подать на двигатель пониженное (в 5-10 раз) напряжение рабочей частоты и измерить ток. Почему пониженное? Это необходимо для того, чтобы ротор можно было легко зафиксировать, не допуская перегрева. Измеренный ток пересчитать, получим пусковой. Достаточно измерить ток на одной фазе. По другим токи будут (обязаны быть) такими же. Этот способ используют при производстве и испытаниях двигателей. Именно этим способом производители получают табличные данные. Способ опирается на номинальный ток, в реальности (на реальном механизме) пусковой ток может быть другим!
- Измерить пусковой ток токоизмерительными клещами. Плюс этого способа – простота и оперативность. Клещи используют в большинстве случаев для проверки режимов работы двигателей. Минус – такие клещи достаточно инерционны, а нам нужно увидеть, что происходит за доли секунды. Но этот минус нивелируется, когда мы измеряем ток при пуске нагрузки с высоким моментом инерции (вентиляторы, насосы с массивными крыльчатками). Пуск длится более 10 сек, и на экране клещей всё видно. Добавлю, что есть клещи с функцией Inrush, которые могут измерять пусковой ток от 0 до максимума в течение времени интегрирования порядка 100 мс.
- Трансформатор тока. Такой используется, например, в узлах учета электроэнергии – благодаря трансформатору тока нет необходимости измерять реальной ток, а можно измерить ток, уменьшенный в точно известное количество раз. Так же измеряют ток в электронных пусковых устройствах (преобразователях частоты, софтстартерах). Минус способа – трансформатор тока рассчитан на частоту 50/60 Гц, а переходные процессы во время пуска имеют широкий спектр и много гармоник. Поэтому можно сказать, что такой способ тоже обладает высокой инерционностью.
Конечно, реальность отличается от эксперимента. Прежде всего тем, что ток короткого замыкания реальной сети питания не бесконечен. То есть, провода, питающие двигатель, имеют сопротивление, на котором в момент пуска падает напряжение (иногда – до 50%). Из-за этого ограничения реальный пусковой ток будет меньше, а разгон – длительнее. Поэтому нужно понимать, что значение кратности пускового тока, указанное производителем, в реальности всегда будет меньше.
Для чего нужны двигатели – приводить в действие механизмы и получать прибыль!
Теперь разберём другой вопрос –
Управление асинхронным двигателем
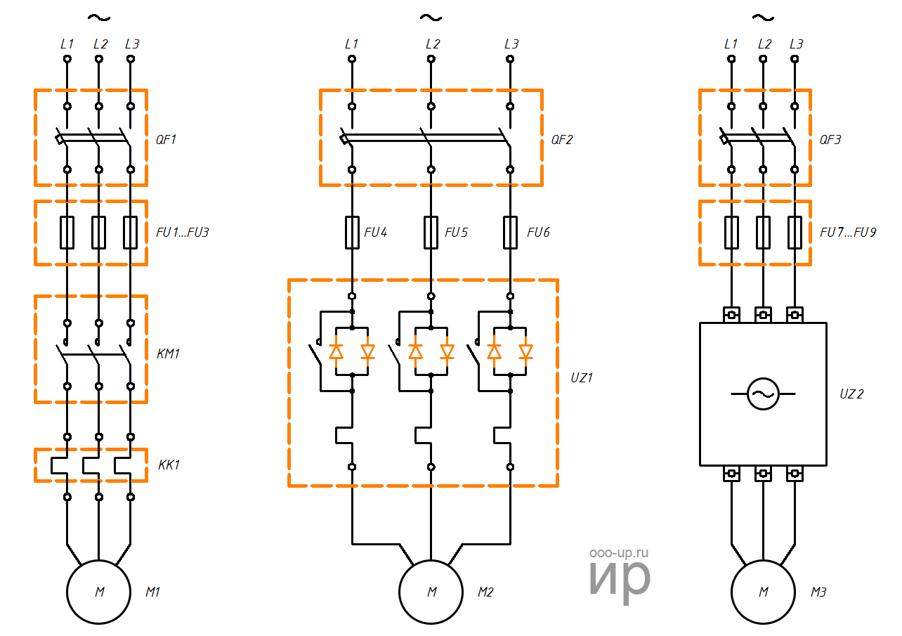
- Способы подключения асинхронного электродвигателя к сети питания:
- прямое подключение к сети питания
- подключение от устройства плавного пуска
- подключение от преобразователя частоты

Прямое подключение к сети питания
Использование магнитных пускателей позволяет управлять асинхронными электродвигателями путем непосредственного подключения двигателя к сети переменного тока.
С помощью магнитных пускателей можно реализовать схему:
- нереверсивного пуска: пуск и остановка;
- реверсивного пуска: пуск, остановка и реверс.
Использование теплового реле позволяет осуществить защиту электродвигателя от величин тока намного превышающих номинальное значение.
Реверсивная схема
Недостатком прямой коммутации обмоток асинхронного электродвигателя с сетью является наличие больших пусковых токов, во время запуска электродвигателя.
Плавный пуск асинхронного электродвигателя
В задачах, где не требуется регулировка скорости электродвигателя во время работы для уменьшения пусковых токов используется устройство плавного пуска.
Устройство плавного пуска защищает асинхронный электродвигатель от повреждений вызванных резким увеличением потребляемой энергии во время пуска путем ограничения пусковых токов. Устройство плавного пуска позволяет обеспечить плавный разгон и торможение асинхронного электродвигателя.
Устройство плавного пуска дешевле и компактнее частотного преобразователе. Применяется там, где регулировка скорости вращения и момента требуется только при запуске.
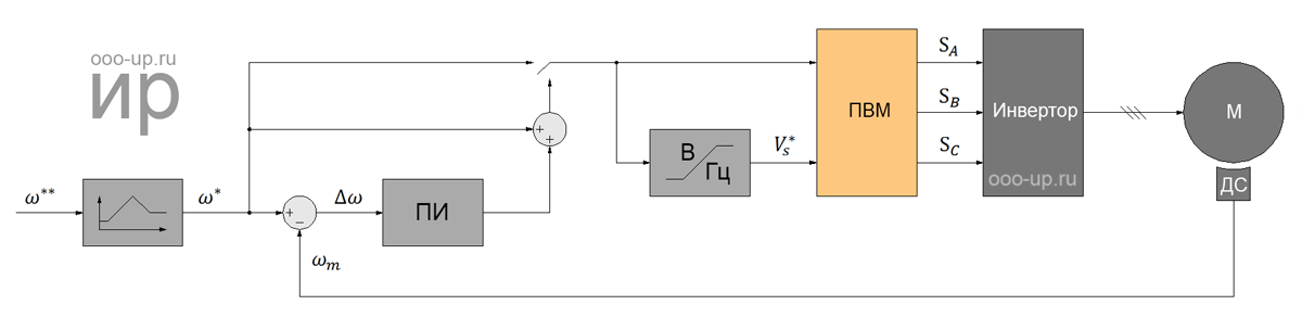
Частотное управление асинхронным электродвигателем
Для регулирования скорости вращения и момента асинхронного двигателя используют частотный преобразователь. Принцип действия частотного преобразователя основан на изменении частоты и напряжения переменного тока.
- Использование частотного преобразователя позволяет:
- уменьшить энергопротребление электродвигателя;
- управлять скоростью вращения электродвигателя (плавный запуск и остановка, регулировка скорости во время работы);
- избежать перегрузок электродвигателя и тем самым увеличить его срок службы.

- В зависимости от функционала частотные преобразователи реализуют следующие методы регулирования асинхронным электродвигателем:
- скалярное управление;
- векторное управление.
Скалярное управление является простым и дешевым в реализации, но имеет следующие недостатки — медленный отклик на изменение нагрузки и небольшой диапазон регулирования. Поэтому скалярное управление обычно используется в задачах, где нагрузка либо постоянна, либо изменяется по известному закону (например, управление вентиляторами).

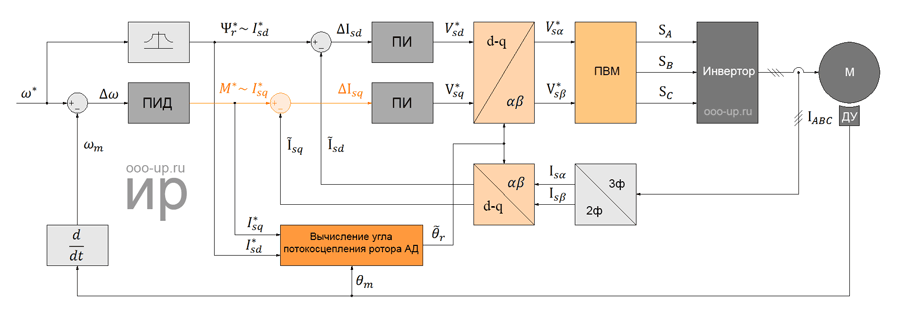
Векторное управление используется в задачах, где требуется независимо управлять скоростью и моментом электродвигателя (например, лифт), что, в частности, позволяет поддерживать постоянную скорость вращения при изменяющемся моменте нагрузки. При этом векторное управление является самым эффективным управлением с точки зрения КПД и увеличения времени работы электродвигателя.
Среди векторных методов управления асинхронными электродвигателями наиболее широкое применение получили: полеориентированное управление и прямое управление моментом.

Полеориентированное управление позволяет плавно и точно управлять параметрами движения (скоростью и моментом), но при этом для его реализации требуется информация о направлениии вектора потокосцепления ротора двигателя.
- По способу получения информации о положении потокосцепления ротора электродвигателя выделяют:
- полеориентированное управление по датчику;
- полеориентированное управление без датчика: положение потокосцепления ротора вычисляется математически на основе той информации, которая имеется в частотном преобразователе (напряжение питания, напряжения и токи статора, сопротивление и индуктивность обмоток статора и ротора, количество пар полюсов двигателя).

Прямое управление моментом имеет простую схему и высокую динамику работы, но при этом высокие пульсации момента и тока.
5.18.6 Поворотные трансформаторы
Так называют электрические машины переменного тока,
  предназначенные для преобразования угла поворота q в напряжение,
  пропорциональное некоторым функциям угла поворота ротора sinq
  или cosq, а также самому углу q. Их применяют в вычислительной
  технике для выполнения различных математических операций. С помощью поворотных
  трансформаторов решают геометрические задачи, связанные с построением треугольников,
  преобразованием координат, разложением и построением векторов. В системах автоматического
  регулирования поворотные трансформаторы используют в качестве измерителей расстояния,
  фиксирующих отклонение системы от некоторого определенного положения.
Конструктивно поворотный трансформатор представляет
  собой асинхронную машину малой мощности. На статоре ее перпендикулярно размещены
  две обмотки:     C1-C2  и  С3-С4.
  Первая получила название главной, а вторая — квадратурной. Обмотки статора выполняются
  одинаковыми, т.е. с одинаковым числом витков. На роторе может быть одна обмотка,
  но  чаще  их  бывает  две.  На рис. 5.18.6.1. приведены  схемы включения синусного,
  косинусного и синусно-косинусного поворотных трансформаторов.

§ 108. Вращающий момент асинхронного двигателя
Принцип действия асинхронного двигателя, как указывалось, основан на взаимодействии вращающегося поля и тока, индуктированного этим полем в обмотке ротора. В результате взаимодействия магнитного потока Φ с током I2, протекающим в проводниках обмотки ротора, возникают электромагнитные силы, приводящие ротор во вращение.
Поэтому вращающий момент, создаваемый на валу двигателя, зависит от величины тока ротора I2 и от магнитного потока Φ.
Кроме того, на величину вращающего момента асинхронного двигателя влияет сдвиг фаз Ψ2 между током I2 и э.д.с. ротора. Для уяснения влияния cos Ψ2 рассмотрим картину электромагнитных сил, действующих на проводники ротора.
Рассмотрим сначала случай, когда индуктивность обмотки ротора мала и поэтому сдвигом фаз между током и э.д.с. можно пренебречь (рис. 255, а). Вращающееся магнитное поле статора здесь заменено полем полюсов N и S, вращающимся, предположим, по направлению часовой стрелки. Пользуясь правилом «правой руки», определяем направление э.д.с. и токов в обмотке ротора. Токи ротора, взаимодействуя с вращающимся магнитным полем, создают момент вращения. Направления сил, действующих на проводники с током, определяются по правилу «левой руки». Как видно из чертежа, ротор под действием электромагнитных сил будет вращаться в ту же сторону, что и само вращающееся поле, т. е. по часовой стрелке.
Рис. 255. Электромагнитные силы, действующие на проводники ротора: а — при отсутствии индуктивности, б — при наличии индуктивности
Рассмотрим второй случай, когда индуктивность обмотки ротора относительно велика. В этом случае сдвиг фаз между током ротора I2 и э.д.с. ротора будет также значительным. На рис. 255, б магнитное поле статора асинхронного двигателя по-прежнему показано в виде вращающихся по направлению часовой стрелки полюсов N и S. Направление индуктированной в обмотке ротора э.д.с. остается таким же, как и на рис. 255, а, но вследствие запаздывания тока по фазе максимум тока I2 наступает позднее, чем максимум э.д.с.
На рис. 255 показано направление индуктированных токов в отдельных проводниках ротора в рассматриваемый момент времени, а также направления отдельных электромагнитных сил, действующих на проводники. Если Ψ2 = 0, то все электромагнитные силы будут действовать согласованно. При большем Ψ2 часть электромагнитных сил создают вращающий момент, направленный по часовой стрелке, а остальные силы — против часовой стрелки.
Магнитный поток Φ не зависит от скорости вращения ротора n. Следовательно, вращающий момент М пропорционален только активной составляющей тока ротора I2 cos Ψ2. Индуктивное сопротивление ротора Х2 = 2πfL2, а следовательно, и величина cos Ψ2 зависят от частоты тока ротора f2 и поэтому с изменением нагрузки на валу ротора изменяется не только величина тока I2, но и величина cos Ψ2. Таким образом, изменение вращающего момента, развиваемого двигателем, с изменением скорости вращения (и скольжения) определяется одновременно как изменением тока I2, так и изменением cos Ψ2.
На основании математического анализа и экспериментального исследования можно построить график зависимости вращающего момента асинхронного двигателя М от скольжения S (рис. 256). Так как каждому значению S соответствует определенное значение n = n (1 — S), то указанный график можно представить и как зависимость вращающего момента от скорости n. Зависимость между вращающим моментом М и скольжением S называется механической характеристикой двигателя (рис. 256).
Рис. 256. Механические характеристики асинхронного двигателя
На кривой А видно, что в начальный момент пуска, когда S = 1 и n = 0, вращающий пусковой момент двигателя относительно невелик. Это объясняется тем, что в момент пуска частота тока в обмотке ротора наибольшая и индуктивное сопротивление обмотки велико. Вследствие этого cos Ψ2 имеет малое значение (около 0,1-0,2). Поэтому, несмотря на большую величину пускового тока, пусковой вращающий момент будет наибольшим. По мере разгона двигателя скольжение уменьшается.
При некотором скольжении S1, называемом критическим, вращающий момент двигателя будет иметь максимальное значение. При дальнейшем уменьшении скольжения (или, иначе говоря, при дальнейшем увеличении скорости вращения двигателя) вращающий момент будет быстро уменьшаться и при скольжении S = 0 момент двигателя будет равен нулю. Этот режим соответствует идеальному холостому ходу, когда двигатель не нагружен, а механическими потерями (на трение) можно пренебречь.
Момент электродвигателя
Мощность связывает вращающий момент с частотой вращения, чтобы определить общий объём работы, который должен быть выполнен за определённый промежуток времени.
Рассмотрим взаимодействие между вращающим моментом, мощностью и частотой вращения, а также их связь с электрическим напряжением на примере электродвигателей Grundfos. Электродвигатели имеют одну и ту же номинальную мощность как при 50 Гц, так и при 60 Гц.

Это влечёт за собой резкое снижение вращающего момента при 60 Гц: частота 60 Гц вызывает 20%-ное увеличение числа оборотов, что приводит к 20%-ному уменьшению вращающего момента. Большинство производителей предпочитают указывать мощность электродвигателя при 60 Гц, таким образом, при снижении частоты тока в сети до 50 Гц электродвигатели будут обеспечивать меньшую мощность на валу и вращающий момент. Электродвигатели обеспечивают одинаковую мощность при 50 и 60 Гц.
Графическое представление вращающего момента электродвигателя изображено на рисунке.

Иллюстрация представляет типичную характеристику вращающий момент/частота вращения. Ниже приведены термины, используемые для характеристики вращающего момента электродвигателя переменного тока.
Пусковой момент (Мп): Механический вращающий момент, развиваемый электродвигателем на валу при пуске, т.е. когда через электродвигатель пропускается ток при полном напряжении, при этом вал застопорен.
Минимальный пусковой момент (Ммин): Этот термин используется для обозначения самой низкой точки на кривой вращающий момент/частота вращения электродвигателя, нагрузка которого увеличивается до полной скорости вращения. Для большинства электродвигателей Grundfos величина минимального пускового момента отдельно не указывается, так как самая низкая точка находится в точке заторможенного ротора. В результате для большинства электродвигателей Grundfos минимальный пусковой момент такой же, как пусковой момент.
Блокировочный момент (Мблок): Максимальный вращающий момент — момент, который создаёт электродвигатель переменного тока с номинальным напряжением, подаваемым при номинальной частоте, без резких скачков скорости вращения. Его называют предельным перегрузочным моментом или максимальным вращающим моментом.
Вращающий момент при полной нагрузке (Мп.н.): Вращающий момент, необходимый для создания номинальной мощности при полной нагрузке.
Что такое критический момент асинхронного двигателя

В рамках современной теории асинхронных электрических машин применяют ряд терминов связанных с понятием момента. Часть этих терминов относится к моменту создаваемому на валу (на роторе) электродвигателя. Другая группа терминов определяет моменты создаваемые механической нагрузкой подключенной к валу электрического двигателя.
Эти термины определяют как сам момент развиваемый двигателем, так и различный состояния момента на выходном валу двигателя. Под состоянием подразумевается значение момента в кретических точках. Например номинальный момент или пусковой момент.
Вот перечень терминов, которые нам приходилось встречать в литературе:
Электромагнитный момент под которым понимают момент ротора двигателя возникающий при воздействии электромагнитного поля. Данный термин часто заменяют синонимами: вращающий момент или крутящий момент. На нашем сайте есть более полная статья про электромагнитный момент асинхронного двигателя.
Пусковой момент — это значение момента в момент трогания ротора. Данный момент в литературе часто называют моментом трогания или начальным пусковым моментом электродвигателя. Более полную информацию можно получить в материале про пусковой момент асинхронника.
Номинальный момент — значение момента создаваемое электромагинитным полем на валу двигателя при номинальных параметрах двигателя и номинальных внешинх условиях. Дополнительные сведения про термин номинальный момент можно получить в статье про асинхронные двигатели и их номинальный момент.
Под критическим моментом понимают наивысшее или максимльно возможное значение. В случае если момент нагрузки превысит величину критического момента, то двигатель остановится. Поэтому в литературе в качестве синонима встречается так же термин: максимальный вращающий момент электродвигателя переменного тока. Данный термин подробно рассмотрен в статье про критический момент асинхронного двигателя.
Тормозной момент — момент возникающий под действием электромагнитных сил на роторо асинхронного двигателя и противоположный по знаку вращающему моменту. Часто встречается в литературе термин синоним: тормозящий момент. Подробное обсуждение понятия тормозной момент асинхронного двигателя здесь.
Момент нагрузки, называемый еще и момент сопротивления — параметр относящийся к механической системе подключенной к валу асинхронного двигателя. Здесь более полный анализ термина момент сопротивления.
Другие статьи про момент электродвигателя на нашем сайте:
Источник
Новое поколение индуктивных датчиков
В настоящее время резольверы практически полностью заменены более современными устройствами — индуктивными энкодерами или «инкодерами». Технология измерения с помощью инкодеров основана на тех же принципах индукции, применяемых в резольверах, но при этом инкодеры содержат печатные платы вместо массивных и дорогих обмоток трансформаторов. Это позволяет существенно сокращать объем, вес и стоимость датчиков, и одновременно значительно увеличивать возможности измерений. Также в инкодеры обеспечен простой и удобный электрический интерфейс — постоянное напряжение и последовательная шина данных. Поскольку инкодеры базируются на тех же физических принципах, что и резольверы — они обеспечивают тот же набор измерительных возможностей — высокую точность и надежность измерений даже в жестких условиях окружающей среды. Мало того, инкодеры имеют оптимальный для угловых измерений форм-фактор — плоская конструкция с большим полым валом. Это позволяет пропускать вал через центр статора инкодера, а ротор инкодера закреплять непосредственно на вращающийся вал, на котором проводятся измерения. Это исключает необходимость использования ВКУ, точно так же, как это было при использовании резольверов.

 Рисунок 2 — Измерение момента вращения и абсолютного положения с помощью индуктивных энкодеров.
Нет необходимости специально выбирать электронику и размещать ее отдельно, поскольку вся требуемая для датчиков электроника размещена непосредственно в статоре энкодера. Примечательно, что инкодеры доступны с разрешением до 4 миллионов импульсов на оборот, таким образом, достаточно минимального скручивания вала, чтобы обеспечить высокое разрешение измерений крутящего момента.
Температурные коэффициенты инкодера малы, в сравнении с тем, что может быть получено при использовании самых лучших тензометрических датчиков, а любые динамические искажения, вызываемые вращением вала на большой скорости, могут быть нивелированы с помощью тактового сигнала — единого для обоих инкодеров, обеспечивающего синхронность считывания данных.
Это старая технология, которая перестала быть модной, потому, что резольверы потеряли свою популярность. Современные индуктивные энкодеры возрождают применение принципов индукции для выполнения угловых измерений, и одновременно с этим, возвращают удобный, надежный и эффективный способ контроля крутящего момента и угла вращения.

 Рисунок 3 — Индуктивные энкодеры, используемые для измерений крутящего момента на валах диаметром 300 мм: статор слева, ротор справа.











![§ 108. вращающий момент асинхронного двигателя [1970 кузнецов м.и. - основы электротехники]](http://as-152.ru/wp-content/uploads/c/f/d/cfdb74a4189778dfc816317a6ed64866.jpeg)















