Преобразователь частоты однофазный
Компактное устройство преобразования частоты служит для управления однофазными электродвигателями для оборудования бытового предназначения. Большинство частотных преобразователей обладает следующими конструктивными возможностями:
- Большинство моделей использует в своей конструкции новейшие технологии векторного управления.
- Они обеспечивают улучшенный вращающий момент однофазного двигателя.
- Энергосбережение введено в автоматический режим.
- Некоторые модели частотных преобразователей используют съемный пульт управления.
- Встроенный PLC контроллер (он незаменим для создания устройств сбора и передачи данных, для создания систем телеметрии, объединяет устройства с различными протоколами и интерфейсами связи в общую сеть).
- Встроенный ПИД регулятор (контролирует и регулирует температуру, давление и технологические процессы).
- Напряжение выхода регулируется в автоматическом режиме.

Рис.№7. Современный преобразователь Optidrive с основными функциональными особенностями.
Частотный преобразователь не служит для двойного преобразования напряжения, благодаря наличию в конструкции ШИМ-регулятора, он может поднять величину напряжения не более чем на 10%.
Главная задача однофазного преобразователя частоты – обеспечить питание как одно- так и трехфазного электродвигателя. В этом случае ток двигателя будет соответствовать параметрам подключения от трехфазной сети, и оставаться постоянным
ТСТ-О преобразует трехфазную сеть в однофазную без гальванической развязки
Симметрирующий трансформатор ТСТ-О для преобразования трехфазной сети в однофазную без гальванической развязки
преобразование трехфазной сети в однофазную:
— без гальванической развязки питающей сети и потребителя;
— без гальванической развязки питающей сети и потребителя и изменение (увеличение или уменьшение) выходного напряжения;
Преобразование трехфазной сети в однофазную
Трансформатор ТСТ обеспечивает преобразование трехфазной сети в однофазную, при этом исходная питающая сеть воспринимает однофазную нагрузку, подключенную через ТСТ, как трехфазную. Мощность трансформатора в данном случае определяется как утроенная мощность однофазной нагрузки.
Преобразование трехфазной сети в однофазную с гальванической развязкой потребителя от сети и уменьшением величины напряжения
Трансформатор ТСТ обеспечивает преобразование трехфазной сети в однофазную (двухфазную), с гальванической развязкой потребителя от сети, при этом, исходная питающая сеть воспринимает однофазную нагрузку, подключенную через ТСТ, как трехфазную. При этом распределение однофазной нагрузки по фазам питающей трехфазной сети происходит в пропорции 2/1/1. ОБЩАЯ ИНФОРМАЦИЯ
Подключение симметрирующего трансформатора
К входу блока «ввода-вывода» ТСТ подключаются три фазы от питающей сети, а к выходу (к трем фазам и нулевому рабочему проводнику) — электроприемники. Нулевой рабочий проводник питающей сети подсоединяется к шпильке «ЗАНУЛЕНИЕ» корпуса ТСТ. Автоматический выключатель QF1 обеспечивает защиту потребителей при коротком замыкании (токовая отсечка), при перегрузке (тепловой расцепитель) и при обрыве нулевого рабочего проводника (электромагнитный расцепитель).
Основные составные части трансформатора:
силовой трансформатор; блок «ввода-вывода» для подключения силовых кабелей сети и нагрузки (расположен под съемной панелью) с автоматическими выключателями сети QF1 и защиты QF2; металлический корпус.
Конструктивное исполнение:
Трансформаторы изготавливаются в металлическом корпусе со степенью защиты IP20 по ГОСТ 14254. По способу монтажа трансформаторы относятся к стационарным. Класс нагревостойкости изоляции обмоток — В по ГОСТ 8865. Выводы к сети и нагрузке расположены в нижней части трансформатора под съемной панелью. Катушки трансформатора выполнены медным обмоточным проводом. Первичная и вторичная обмотки трансформатора имеют гальваническую развязку. Вторичная обмотка может быть выполнена по схеме «звезда» или «звезда с выведенным нулем». На входе трансформатора устанавливается автоматический выключатель, обеспечивающий защиту при перегрузках и коротких замыканий. Трансформатор имеет световую индикацию наличия напряжения на выходе.
Условия эксплуатации:
Диапазон температур окружающей среды от — 45 0С до +40 0С; Относительная влажность воздуха при температуре 25 0С не более 80 %; Высота над уровнем моря не более 1000 м; Окружающая среда не взрывоопасная, не содержащая токопроводящей пыли, агрессивных паров и газов в концентрациях, разрушающих металлы и изоляцию. Ударные нагрузки не допускаются. Режим работы продолжительный.
Область применения Трансформаторы ТСТ выравнивают напряжение в фазах питающей сети (устраняют перекос напряжений), равномерно распределяют нагрузки (устраняют перекос нагрузок) между фазами, и этим в значительной мере способствуют:
энергосбережению (уменьшению количества потребляемой электроэнергии за счет обеспечения требуемых уровней напряжения и симметричной нагрузки фаз); ресурсосбережению (уменьшению расхода топлива и масла, необходимых для выработки электроэнергии); надежности (увеличению назначенного ресурса и длительности безотказной работы источников электроэнергии) и безопасности эксплуатации (безопасность в трехфазных, четырехпроводных электрических сетях с глухозаземленной нейтралью обеспечивается за счет применения такой защитной меры, как зануление, при этом «ноль» трансформатора ТСТ используется, как нулевой рабочий проводник, а «ноль» сети – как нулевой защитный проводник) электрооборудования.
Симметрирующие трансформаторы (ТСТ) размещают между источником электрической энергии (Госсеть или автономный источник электроэнергии) и электроприемниками — потребителями электрической энергии.
Массо-габаритные характеристики ТСТ-О
Что нужно для получения трехфазного напряжения?

Во-первых, понадобится трехфазный электродвигатель с мощностью большей, как минимум на 30%, чем у подключаемого оборудования. Так, например, для подключения 3кВт компрессора потребуется электродвигатель, как минимум на 4,5 кВт. Больше — лучше.
Также нужен пакетный переключатель и конденсатор для облегчения запуска ведущего двигателя.
Схема подключения

Ведущий электродвигатель (расщепитель фаз) подключается к сети 220 В, — способ подключения (звезда, треугольник) не имеет значения. Запуск производится через конденсатор С=100 мкФ.
Далее к контактам обмоток ведущего двигателя через пакетный выключатель подключается трехфазное оборудование, — схема подключения (звезда или треугольник) не имеет значения.
Данная схема элементарна, но работает достаточно стабильно.
Запуск системы

Включаем через пакетник
Подаём напряжение 220 В на первый (ведущий) двигатель через конденсаторы, — облегчают запуск. Можно без них, но тогда необходимо придать первичное движение валу двигателя.
В течение нескольких секунд вал электромотора будет набирать крутящий момент, после этого, если пуск производился с конденсаторами, то их отключаем.
На обмотках ведущего мотора образовалось трехфазное напряжение около 200 В: на двух по 200, на одной около 190 В.
Включаем пакетный выключатель – ведомый электромотор запустился без проблем. Всё отлично работает.
Схему при необходимости можно и нужно доработать. Кстати, для стабилизации работы, т.е. для сглаживания нагрузки можно первый двигатель оснастить тяжелым маховиком, который не будет давать проседать нагрузке.
Устройство асинхронного электродвигателя
В его конструкцию входят следующие элементы:
- Статор цилиндрической формы, собранный из стальных листов. Сердечник статора имеет пазы, в которые уложены обмотки. Их оси сдвинуты на 120 градусов по отношению друг к другу.
- Ротор (короткозамкнутый или фазный). Первый вариант представляет собой сердечник с алюминиевыми стержнями, накоротко замкнутыми торцевыми кольцами (беличья клетка). Второй вариант состоит из трехфазной обмотки, чаще всего соединенной «звездой».
- Конструктивные детали – вал, подшипники, лапы, подшипниковые щиты, крыльчатка и кожух вентилятора, коробка выводов — обеспечивающие вращение, охлаждение и защиту механизма.
Схему асинхронного двигателя с указанием его деталей легко найти в интернете или в пособиях.
Принцип работы асинхронного двигателя
Принцип действия асинхронного электродвигателя заложен в его названии (не синхронный). То есть статор и ротор при включении создают вращающиеся с разной частотой магнитные поля. При этом частота вращения магнитного поля ротора всегда меньше частоты вращения магнитного поля статора.
Чтобы более наглядно представить себе этот процесс, возьмите постоянный магнит и покрутите его вокруг своей оси возле медного диска. Диск с небольшим отставанием начнет вращаться вслед за магнитом. Дело в том, что при вращении магнита в структуре диска возбуждаются токи Фуко (индукционные токи), движущиеся по замкнутому кругу. По сути они являются токами короткого замыкания, разогревающими металл. В диске «зарождается» собственное магнитное поле, в дальнейшем взаимодействующее с полем магнита.
В асинхронном двигателе для получения вращающегося поля используются обмотки статора. Магнитный поток, образованный ими, создает ЭДС в проводниках ротора. При взаимодействии магнитного поля статора и индуцируемого тока в обмотке ротора создается электромагнитная сила, приводящая во вращение вал электродвигателя.
Пошагово процесс выглядит следующим образом:
- При запуске двигателя магнитное поле статора пересекается с контуром ротора и индуцирует электродвижущую силу.
- В накоротко замкнутом роторе возникает переменный ток.
- Два магнитных поля (статора и ротора) создают крутящий момент.
- Крутящийся ротор пытается «догнать» поле статора.
- В тот момент, когда частоты вращения магнитного поля статора и ротора совпадут, электромагнитные процессы в роторе затухают и крутящий момент становится равным нулю.
- Магнитное поле статора возбуждает контур ротора, который к этому моменту снова отстает.
То есть ротор всегда медленнее магнитного поля статора, что и обеспечивает асинхронность.
Поскольку ток в роторе индуцируется бесконтактно, отпадает необходимость установки скользящих контактов, что делает асинхронные двигатели более надежными и эффективными. Изменяя направление тока в одной из обмоток (для этого нужно поменять фазы на клеммах), вы можете «заставить» мотор вращаться в ту или другую сторону.
Направление электромагнитной силы легко определить, вспомнив школьный курс физики и воспользовавшись «правилом левой руки».
На частоту вращения магнитного поля статора влияет частота питающей сети и число пар полюсов. Поскольку число пар полюсов зависит от типа двигателя и остается неизменным, то, если вы хотите изменить частоту вращения поля, необходимо изменить частоту питающей сети с помощью преобразователя.
Преимущества асинхронных двигателей
Благодаря тому, что устройство и принцип работы асинхронного электродвигателя достаточно просты, он обладает массой преимуществ и широко применяется во всех сферах народного хозяйства и в быту. Двигатели этого типа характеризуются:
- Надежностью и долговечностью. Отсутствие контакта между подвижными и неподвижными деталями сводит к минимуму возможность износа и поломок.
- Низкой стоимостью. Они доступны (не зря 90% от всех выпускающихся в мире двигателей именно асинхронные).
- Простотой эксплуатации. Для того чтобы использовать их, не обязательно иметь специальные знания и навыки.
- Универсальностью. Их можно установить практически на любое оборудование.
Изобретение асинхронного электродвигателя было значимым вкладом в развитие науки, промышленности и сельского хозяйства. С ним наша жизнь стала более комфортной.
Заточной станок (точило) на двигателе Даландера
Недавно попался заточной станок с двухскоростным двигателем, выкладываю его схему.
Схема заточного станка на двухскоростном двигателе Даландера
Меня часто спрашивают, какую защиту сделать этому двигателю? Вот, на схеме – простое тепловое реле (РТ1), настроенное на бОльший ток (около 11 А).
Вот шильдик двигателя:
Параметры двухскоростного двигателя заточного станка
А вот – его обозначения выводов:
Выводы двухскоростного двигателя
Как думаете, почему вместо схемы подключения показан прямоугольничек ПС (переключатель скоростей)? Правильно, схема тогда была бы в 2 раза больше и сложнее.
Как подключить электромотор к трехфазной сети 380в.
В первую очередь смотрим на «шильдик» и определяем, на какие напряжения рассчитан двигатель. На рисунках мы видим, что каждому типу соединения соответствует свое. Конечно же, нельзя подавать 380в, если, к примеру, при соединении «треугольник» на табличке написано 220в. Наоборот можно, но электродвигатель не разовьет и половины номинальной силы.
Определившись с вольтажом, подключаем провода «А», «В» и «С» по порядку к началам обмоток «U1», «V1» и «W1». Или, если мотор советского производства – «С1», «С2» и «С3».
Итак, электросхема готова, производим кратковременное включение. Это требуется для того, чтобы определить работоспособность собранной цепи и направления вращения двигателя. Проверили, двигатель крутится, но не в ту сторону. Ничего страшного, меняем между собой первую и вторую фазу. И еще раз проверяем.
Для чего применяется электропитание с повышенным напряжением
По той же причине, по которой магистральные линии электропередач работают под напругой 10 тысяч вольт. Чтобы обеспечить определенную нагрузку (мощность электроприбора), есть два пути: повысить силу тока при пониженном напряжении, либо напротив: повышая вольтаж, можно снизить ток в цепи. Для экономии силовых кабелей, рациональнее подавать потребителю 380 вольт вместо 220.
Выгода очевидна: сила тока ниже, меньше греются провода, их сечение можно уменьшить. Равно как и коммутирующие устройства рассчитаны на меньший ток.
Соответственно, для подключения конечных электроустановок, в помещении должна быть трехфазная розетка.
При этом возникает перекос нагрузки, это негативно сказывается на работе генерирующих устройств, и может вывести из строя защитную автоматику.
Способы получения 380 Вольт из 220
Рассмотрим основные способы преобразования 220 вольт в полноценный трёхфазный ток, напряжением 380 В:
- с помощью электронного преобразователя напряжения;
- путём применения трансформатора;
- использованием трёх фаз;
- используя трёхфазный двигатель в качестве генератора;
- пользуясь конденсаторной схемой.
Преобразователь напряжения
Самый простой и надёжный способ преобразовать 220 В в 380 – купить электронный преобразователь напряжения. (см. рис. 2). Этот прибор часто называют инвертором. Гаджет прост в управлении и генерирует качественный трёхфазный ток. Правда, мощность инверторов не слишком большая, но её, как правило, хватает для большинства трёхфазных бытовых приборов.

Рис. 2. Преобразователь напряжения
Преобразователь хорош ещё и тем, что у него есть встроенная функция защиты от перегрузок и КЗ. А это значит, что электромотор не перегреется и не выйдет из строя в результате КЗ.
Высокое качество тока достигается благодаря принципу работы устройства. Инвертор сначала выпрямляет переменный однофазный ток, а затем генерирует трёхфазное напряжение с заданной частотой и со стандартным сдвигом фаз. При этом количество фаз может быть и больше чем 3 (с соответствующим углом сдвига).
Используя трансформатор
С помощью повышающего трансформатора можно получить какое угодно напряжение, в том числе и 380 В. Однако, если вас интересует трёхфазное напряжение, то необходим специальный трёхфазный трансформатор. преобразующий однофазный ток в трёхфазный. Такие трансформаторы есть в продаже.
Обмотки трансформатора соединены звездой или треугольником. Напряжение однофазной сети подаётся на две первичные обмотки напрямую, а на третью – через конденсатор. При этом ёмкость конденсатора подбирается из расчёта 7 мкФ на каждые 100 Вт мощности.
Обратите внимание на то, что номинальное напряжение конденсатора не должно быть ниже 400 В. Такое устройство нельзя включать без нагрузки
Хоть мы и получим таким способом необходимые 380 В, всё равно будет наблюдаться снижение мощности электромотора (если вы планируете подключать его к трансформатору). Соответственно КПД двигателя тоже упадёт.
Использование 3-х фаз
Если вы проживаете в многоквартирном доме, то к нему уже подведено 3 фазы, которые с целью оптимального распределения нагрузок разведены по отдельным квартирам. На каждом этаже стоят распределительные щиты, откуда можно завести в квартиру недостающие две фазы. Но для этого потребуется разрешение.
При желании вы можете получить разрешение у энергоснабжающей компании или согласовать с Энергонадзором обустройство трёхфазного питания в вашей квартире. При этом потребуется установить трёхфазный счётчик электроэнергии.
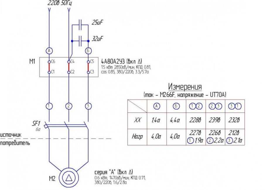
Использование электродвигателя
Вы наверно знаете, что ротор обычного трёхфазного двигателя после запуска продолжает вращаться после отключения одной фазы. Оказывается, что между выводом отключенной обмотки и задействованными выводами имеется ЭДС.
Сдвиг фаз между обмотками статора зависит только от их расположения. В трёхфазном двигателе эти катушки расположены под углом 120º, а значит они обеспечивают такой же угол сдвига фаз. Это обстоятельство наталкивает на мысль, что асинхронный трёхфазный двигатель можно использовать для получения 380 вольт от обычной однофазной сети. Простая схема подключения электромотора изображена на рисунке 3. Конденсатор на схеме нужен только для запуска двигателя. После запуска его можно отключить. Конденсатор берём типа МБГО, МБГП, МБГТ или К42-4, рабочее напряжение которого должно быть не менее 600 В. Можно применить конденсатор К42-19, с рабочим напряжением минимум 250 В.
Что такое трехфазная сеть?
Фаза означает изменение направления между величинами электросети в один и тот же момент времени. В случае 3-х ф. тока, используют три напряжения, ориентированных в 3-х различных направлениях. Таким образом, напряжение сети вычисляется сложением векторных величин, и не равняется алгебраической сумме всех напряжений.
Рассмотрим на примере того же двигателя. При подаче напряжения 380 В на катушку используются разные пары фаз в определенной последовательности для каждой обмотки. Собственно поэтому характеризуют цепь 380 Вольтами, а не скалярным сложением (220 + 220 + 220 = 660)В. Это объяснение очень упрощено и не совсем полно, но, надеемся, хорошо представлено. Да и написано так, чтобы было ясно, нам, электрическим«чайникам».
Излагая техническим слогом, в трехфазовой электросети, цепи проводников несут три переменных значений физических величин, которые достигают мгновенные пики в разное время. Принимая один проводник в качестве эталона, остальные два течения запаздывают во времени на одну треть и две трети от одного цикла тока. Эта задержка между фазами, имеет эффект передачи мощности в течение каждого цикла, а также позволяет производить вращающееся магнитное поле.
Схема подключения асинхронного двигателя с конденсаторным запуском: 3 технологии
Статор с обмотками для запуска от конденсаторов имеет примерно такую же конструкцию, что и рассмотренная выше. Отличить по внешнему виду и простыми замерами мультиметром его сложно, хотя обмотки могут иметь равное сопротивление.
Ориентируйтесь по заводскому шильдику и таблице из книги Алиева. Такой электродвигатель можно попробовать подключить по схеме с кнопкой ПНВС, но он не станет раскручиваться.
Ему не хватит пускового момента от вспомогательной обмотки. Он будет гудеть, дергаться, но на режим вращения так и не выйдет. Здесь нужно собирать иную схему конденсаторного запуска.
2 конца разных обмоток подключают с общим выводом О. На него и второй конец рабочей обмотки подают через коммутационный аппарат АВ напряжение бытовой сети 220 вольт.
Конденсатор подключают к выводам пусковой и рабочей обмоток.
В качестве коммутационного аппарата можно использовать сдвоенный автоматический выключатель, рубильник, кнопки типа ПНВ или ПНВС.
Здесь получается, что:
- главная обмотка работает напрямую от 220 В;
- вспомогательная — только через емкость конденсатора.
Эта схема используется для легкого запуска конденсаторных электродвигателей, включаемых в работу без тяжелой нагрузки на привод, например, вентиляторы, наждаки.
Если же в момент запуска необходимо одновременно раскручивать ременную передачу, шестеренчатый механизм редуктора или другой тяжелый привод, то в схему добавляют пусковой конденсатор, увеличивающий пусковой момент.
Принцип работы такой схемы удобно приводить с помощью все той же кнопки ПНВС.
Ее контакт с самовозвратом подключается на вспомогательную обмотку через дополнительный пусковой конденсатор Сп. Второй конец его обкладки соединяется с выводом П и рабочей емкостью Ср.
Дополнительный конденсатор в момент запуска электродвигателя с тяжелым приводом помогает ему быстро выйти на номинальные обороты вращения, а затем просто отключается, чтобы не создавать перегрев статора.
Эта схема таит в себе одну опасность, связанную с длительным хранением емкостного заряда пусковым конденсатором после снятия питания 220 при отключении электродвигателя.
При неаккуратном обращении или потере внимательности работником ток разряда может пройти через тело человека. Поэтому заряженную емкость требуется разряжать.
В рассматриваемой схеме после снятия напряжения и выдергивания вилки со шнуром питания из розетки это можно делать кратковременным включением кнопки ПНВС. Тогда емкость Сп станет разряжаться через пусковую обмотку двигателя.
Однако не все люди так поступают по разным причинам. Поэтому рекомендуется в цепочку пуска монтировать два дополнительных резистора.
Сопротивление Rр выбирается номиналом около 300÷500 Ом нескольких ватт. Его задача — после снятия напряжения питания осуществить разряд вспомогательной емкости Сп.
Резистор Rо низкоомный и мощный выполняет роль токоограничивающего сопротивления.
Добавление резисторов в схему пуска электродвигателя повышает безопасность его эксплуатации, автоматически ограничивает протекание емкостного тока разряда заряженного конденсатора через тело человека.
Где взять номиналы главного и вспомогательного конденсаторов?
Дело в том, что величину пусковой и рабочей емкости для конденсаторного запуска однофазного АД завод определяет индивидуально для каждой модели и указывает это значение в паспорте.
Отдельных формул для расчета, как это делается для конденсаторного запуска трехфазного двигателя в однофазную сеть по схемам звезды или треугольника просто нет.
Вам потребуется искать заводские рекомендации или экспериментировать в процессе наладки с разными емкостями, выбирая наиболее оптимальный вариант.
Владелец видеоролика “I V Мне интересно” показывает способы оптимальной настройки параметров схемы запуска конденсаторных двигателей.
https://youtube.com/watch?v=ohyEgfu3wNY
Выбираем автоматический выключатель и пусковое устройство.
Прежде чем заняться подключением двигателя, давайте подберем пускорегулирующую аппаратуру. Современная промышленность выпускает огромное количество автоматов для защиты электродвигателя. Купив такой прибор, можно сразу отбросить вопросы по дальнейшему выбору.
Это интересно — «Способы крепления светильников».
Единственное, что придется сделать — рассчитать аппарат по номинальному току. Вычисляется по формуле: для трехфазной сети — I = Р/ Un*1 .73*n*cosф, и для однофазной — I = Р/ Un*cosф, где Р – мощность электромотора, Un – рабочее напряжение, n – его КПД (как правило, есть в паспорте на изделие, обычно 0,85), а cosф – коэффициент мощности (можно найти в паспорте, для электромоторов, обычно, он равен 0,85). Далее получив результат, умножаем его на температурный коэффициент (это примерно 1,2). Из этого следует, что если, к примеру, мы имеем двигатель 1кВт – то его номинальный ток получится 2,1А для 380в и 6,3А для 220в. Подбираем автоматические выключатели (АВ) с ближайшими параметрами на увеличение. Хорошо зарекомендовали себя автоматы защиты двигателя с встроенным тепловым реле производства Moeller, ABB, Schneider Electric. Но есть одно «НО», они достаточно дорогие.
Поэтому, исходя из финансовых вопросов, берем обычный модульный АВ с характеристикой «С». Однако, к нему еще необходимо тепловое реле (теплушка). Самым оптимальным вариантом будет выбор ПМЛ-1220. И наконец, давайте сами соберем это устройство, тем более, что в нем нет ничего сложного. Нам понадобится: кроме АВ, модульный или просто контактор с 4 нормально-разомкнутыми контактами. Теплушка и две кнопки без фиксации (по одной с нормально-разомкнутыми нормально-замкнутым контактами). Дальше делаем как представлено ниже.
Как подключить трехфазный двигатель в сеть 220 В
Использование трёхполюсного АД в однофазной электросети интересует многих владельцев частных домов. Агрегаты пользуются всё большей востребованностью в домашнем хозяйстве. По своей конструкции они довольно просты и отличаются неприхотливостью в эксплуатации. Однако, в плане подключения двигателя к однофазной сети не все так просто.
Пульсирующее поле однофазного тока, не способно привести ротор электродвигателя во вращение – такой ток необходимо преобразовать в многофазный и после этого лишь подавать на агрегат.
На рационализаторские предложения с применением ЛАТр-ов и прочих самодельных конструкций не стоит обращать внимание. Областью запредельной НАНО технологии и научной фантастики не занимаемся, на гонорар за поддержку «нобелевских лауреатов» рассчитывать не приходится
На сегодня известно два толковых способа преобразования однофазного тока в многофазовый – это подключение агрегата через:
- фазосдвигающий конденсатор;
- частотный преобразователь.
Рассмотрим их по очередности.
- Сдвиг фаз при помощи конденсаторов
В трёхфазных цепях создать вращающееся магнитное поле не проблема, при энергетической генерации в обмотках статора наводится ЭДС благодаря вращению намагниченного ротора. Некоторые умудряются прибегать к незамысловатым «хитростям». Применяют различные схемы, для составителей которых, главный вопрос в том, чтобы обеспечить работу электрооборудования без потери мощности. Например, существует метод сдвига фаз в обмотках по отношению друг к другу.
Достаточно подключить конденсатор параллельно одной из обмоток, сначала подобрав номинал устройства таким образом, чтобы обеспечить необходимый сдвиг фаз. Этот вариант неплохой, если следовать старому правилу: чем меньше деталей и они проще, тем надежнее система в целом. Конденсатор, конечно, штука сравнительно копеечная, ставится за минуту, но требует особых навыков. А вот второй метод с преобразователем, хоть и дороговатый, но окупается удобством. Согласитесь, совсем немаловажный фактор.
- Частотники, работающие от однофазной сети
Частота в нашей сети постоянная и равна 50 Гц. Частотник служит для преобразования однофазного переменного тока 50 Гц в трёхфазный, частотой от 1 до 800 Гц. Вся технология процесса сводится к управлению скоростью вращения асинхронного электродвигателя. Подключить ПЧ – это значит, подобрать правильное сечение кабеля, типы проводов, и дополнительное оборудование. Не думайте, что открыв страницу в инструкции, вам сразу станет суть ясной
Вы можете даже не достигнуть результата, подсоединив провода по схеме, если не обратите внимание на некоторые нюансы. На что именно?

Своими руками преобразователь из одной в три фазы.
Так как трёхполюсный движок нужно запитать через ЧП от однофазной сети, то и кабелей нужно два: до частотника двужильный (до 50 м можно использовать лишь неэкранированный кабель, экранированный — до 15 м), от частотника до двигателя – только трехжильный. Одна из жил проводов заземляющая, остальные фазные. Сечение выбирается по техническому паспорту на частотник. Требуемое напряжение в проводах, как раз,получается по току и сопротивлению (согласно сечению) кабеля по знакомой формуле: U = R*I. Расчётные данные следует принимать по ПУЭ.
Частотник советуют покупать с удвоенным запасом, не менее чем на 2 кВ. Его номинальное значение рассчитано лишь на мощность машины, а значит, в лучшем случае он отключится по теплу, в худшем – задымится. Все они собраны по одинаковой схеме, на двух тиристорах управляемых мультивибратором. Схема несложная. Лучше выбрать простой и по мощней. Покупать там, где есть выбор и обязательно с гарантией.
Способы подключения обмоток
Двигатели в быту и любительской практике приводят в действие самые различные механизмы — циркулярно работающую пилу, электрический рубанок, вентилятор, сверлильный станок, насосное оборудование. Не зная, как работают электродвигатели, лучше не лезть в дебри с частотниками. Двигатели бывают:
- постоянного
- и переменного тока (асинхронные и синхронные).
Механизм включает в себя ротор и статор. Изученный еще в школе принцип электромагнитной индукции лежит в основе принципа их работы. Большая часть производимых электродвигателей являются«асинхронными». Откуда взялось это слово? Частота вращения подвижной детали(ротора) всегда отстаёт от частоты вращения магнитного поля неподвижной (статора). Шкала частот на выходе варьируется – 1000, 1500, 3000… об./мин. И все потому, что ротор способен вращаться на валу с различной скоростью внутри сердечника.
По числу полюсов агрегаты бывают одно-, двух, трехполюсные. В сердечнике статора последних расположено по обмотке на каждую фазу, концы которых выведены к клеммной коробке. За счёт чего можно увеличить скорость асинхронного двигателя (АД) без потери мощности? За счет смены числа пар полюсов.
Для перехода к другим способам, а их существует еще два, нам не обойтись без условных обозначений «звезда» и«треугольник». Три обмотки катушки могут соединяться двумя способами: в точке или по кругу, отсюда произошли названия соединений «звезда», «треугольник».
Что будет, если трёхфазный движок, соединенный треугольником, включить в электросеть 380 В? Пусковые токовые значения в этом случае могут увеличиться в семь раз, что приведёт к сетевой перегрузке. Имея дело с двигателями, нужно, быть предельно внимательными. Покупая товар, непременно задумайтесь, если на шильдиках изображён значок треугольник/звезда (а не наоборот звезда/треугольник) при том же напряжении 220/380 В.





























