От сети
Однофазные электродвигатели переменного тока также позволяют регулировать вращение ротора.
Коллекторные машины
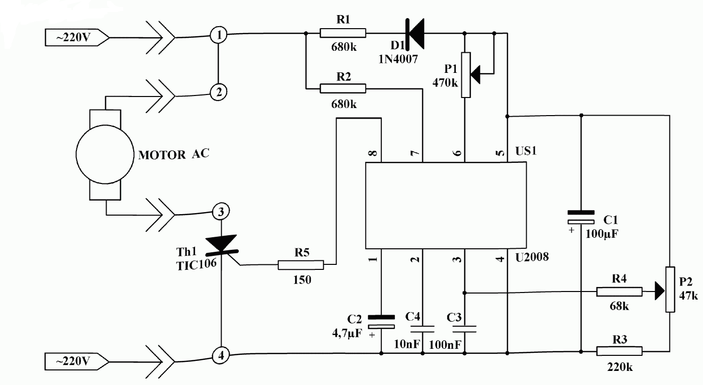
Такие моторы стоят на электродрелях, электролобзиках и другом инструменте. Чтобы уменьшить или увеличить обороты, достаточно, как и в предыдущих случаях, изменять напряжение питания. Для этой цели также есть свои решения. Конструкция подключается непосредственно к сети. Регулировочный элемент – симистор, управление которого осуществляется динистором. Симистор ставится на теплоотвод, максимальная мощность нагрузки – 600 Вт.
Если есть подходящий ЛАТР, можно все это делать при помощи его.
Двухфазный двигатель
Аппарат, имеющий две обмотки – пусковую и рабочую, по своему принципу является двухфазным. В отличие от трехфазного имеет возможность менять скорость ротора. Характеристика крутящегося магнитного поля у него не круговая, а эллиптическая, что обусловлено его устройством. Есть две возможности контролирования числа оборотов:
- Менять амплитуду напряжения питания (Uy),
- Фазное – меняем емкость конденсатора.
Такие агрегаты широко распространены в быту и на производстве.
Обычные асинхронники
Электрические машины трехфазного тока, несмотря на простоту в эксплуатации, обладают рядом характеристик, которые нужно учитывать. Если просто изменять питающее напряжение, будет в небольших пределах меняться момент, но не более. Чтобы в широких пределах регулировать обороты, необходимо довольно сложное оборудование, которое просто так собрать и наладить сложно и дорого.

Для этой цели промышленностью налажен выпуск частотных преобразователей, помогающих менять обороты электродвигателя в нужном диапазоне.
Асинхронник набирает обороты в согласии с выставленными на частотнике параметрами, которые можно менять в широком диапазоне. Преобразователь – самое лучшее решение для таких двигателей.
В цепи якоря
Это лучший вариант регулирования скорости мотора с независимым возбуждением. Частота вращения прямо пропорциональна подводимому к якорю напряжению. Механические характеристики не меняют своего угла наклона, а перемещаются параллельно друг другу.
Для осуществления этой схемы нужно цепь якоря подключить к источнику напряжения, которое можно менять.
Это возможно в электрических машинах малой или средней мощности. Двигатель большой мощности целесообразно подключить в схему с генератором напряжения независимого возбуждения.
В качестве привода для генератора используют обычный трехфазный асинхронник. Чтобы уменьшить обороты, достаточно на якоре понизить напряжение. Оно меняется от номинального и вниз. Эта схема имеет название «двигатель-генератор». Таким образом можно менять параметры на двигателе 220в.
Для низкого напряжения
Управление агрегатами на 12в проще из-за более низкого напряжения и как следствие, более доступных деталей
Вариантов подобных схем множество, поэтому важно понять сам принцип
Такой двигатель имеет ротор, щеточный механизм и магниты. На выходе у него всего два провода, контролирование скорости идет по ним. Питание может быть 12, 24, 36в, или другое. Что нужно – это его менять. Лучше, когда в пределах от нуля до максимума. В более простых вариантах 12–0в не получится, другие варианты дают такую возможность.
Кто-то паяет радиоэлементы навесным монтажом, кто-то набирает печатную плату – это уже зависит от желания и возможностей каждого человека.
Этот вариант подойдет, если точность неважна: например, вентилятор. Напряжение меняется от 0 до 12 вольт, пропорционально меняется крутящий момент.
Другой вариант – со стабилизацией оборотов независимо от нагрузки на валу.
Питание 12 вольт, схема очень проста. Двигатель набирает обороты плавно, и также плавно их сбавляет так как напряжение на выходе меняется в пределах 12–0в. Как результат – можно убрать крутящий момент практически до нуля. Если потенциометр крутить в обратном направлении, мотор так же постепенно набирает обороты до максимума. Микросхема очень распространенная, ее характеристики тоже подробно описаны. Питание 12–18в.
Есть еще один вариант, только это уже не для 12, а для 24в питания.
Двигатель постоянного тока, питание – переменное, так как стоит диодный мост. При желании можно мост выбросить и запитывать постоянкой от своего блока питания.
Работа ДПТ типа П 41
Электрическая машина, питание которой осуществляется постоянным током 220 В, имеет более сложную конструкцию в сравнении с вышеописанными агрегатами. Специфика работы, например, модели П 41, требует наличия коллекторно-щеточного узла, катушки якоря, вспомогательных полюсов статора (индуктора). Двигатели данного типоразмера модели относятся к машинам с электромагнитным индуктором. То есть, для подключения и пуска П 41 используется не постоянный магниты, а независимая или смешанная обмотка возбуждения на 110 или 220В.
Как можно судить, работа трехфазных (380 В) и однофазных (220 В) машин переменного тока или ДПТ типа П 41 может быть организована самыми разными способами, от классических до специфических, учитывающих реальные условия эксплуатации.
Принцип работы и число оборотов асинхронных двигателей
Данный вопрос рассмотрим на примере АДКР, как наиболее распространенного типа электродвигателей подъемно-транспортном и обрабатывающем оборудовании. Напряжение от сети подается на обмотку статора, каждая из трех фаз которой смещена геометрически на 120°. После подачи напряжения возникает магнитное поле, создающее путем индукции ЭДС и ток в обмотках ротора. Последнее вызывает электромагнитные силы, заставляющие ротор вращаться. Еще одна причина, по которой все это происходит, а именно, возникает ЭДС, является разность оборотов статора и ротора.
Одной из ключевых характеристик любого АДКР является частота вращения, расчет которой можно вести по следующей зависимости:
n = 60f / p, об/мин
где f – частота сетевого напряжения, Гц, р – число полюсных пар статора.
Все технические характеристики указываются на металлической табличке, закрепленной на корпусе. Но если она отсутствует по какой-то причине, то определить число оборотов нужно вручную по косвенным показателям. Как правило, используется три основных метода:
Расчет количества катушек. Полученное значение сопоставляется с действующими нормами для напряжения 220 и 380В (см. табл. ниже),

Расчет оборотов с учетом диаметрального шага обмотки. Для определения используется формула вида:
где 2p – число полюсов, Z1 – количество пазов в сердечнике статора, y – собственно, шаг укладки обмотки.
Стандартные значения оборотов:

Расчет числа полюсов по сердечнику статора. Используются математические формулы, где учитываются геометрические параметры изделия:
2p = 0,35Z1b / h или 2p = 0,5Di / h,
где 2p – число полюсов, Z1 – количество пазов в статоре, b – ширина зубца, см, h – высота спинки, см, Di – внутренний диаметр, образованный зубцами сердечника, см.
После этого по полученным данным и магнитной индукции нужно определить количество витков, которое сверяется с паспортными данными двигателей.
Практическое применение
Как я уже говорил, такие двигатели мне встречались в советских станках, которые я восстанавливал.
А именно – циркулярный деревообрабатывающий станок ЦА-2А-1, там используется двухскоростной асинхронный двигатель 4АМ100L8/4У3. Его основные параметры – первая скорость (треугольник) 700 об/мин, ток 5,0А, мощность 1,4 кВт, звёзды – 1410 об/мин, ток 5,0 А, мощность 2,4 кВт.
Меня просили сделать несколько скоростей, для разной древесины и для разной остроты циркулярной пилы. Но увы – без преобразователя частоты здесь не обойтись.
Другой старичок – токарный станок спец.исполнения УТ16П, там стоит двигатель 720/1440 об/мин, 8,9/11 А, 3,2/5,3 кВт:
Шильдик двухскоростного электродвигателя 11 кВт токарного станка
Переключение также переключателем, а схема станка выглядит так:
схема электрическая токарного станка
В этой схеме есть ошибка, как раз по теме статьи. Во первых, переключение скоростей осуществляется не реле Р2, а выключателем В2. А второе (и главное) – схема переключения абсолютно не соответствует реальности. И она меня сбила с толку, я пытался подключить по ней. Пока не сотворил вот такую схему:
Реальная схема включения двухскоростного двигателя токарного станка УТ16П
Дополнительно – внешний вид и расположение элементов электросхемы.
схема токарного станка – внешний вид
схема электрическая токарного станка – расположение элементов
На этом всё.
Друзья! Кому попадаются такие станки и двигателя, пишите, делитесь опытом, задавайте вопросы, буду рад!
Обновление Март 2017
Выкладываю фото и схемы практического включения двухскоростного электродвигателя.
Двигатель работает на гидростанции. На пониженной скорости он дает малое давление, позволяющее управлять механизмами с гидравлическим приводом более точно. На повышенной скорости – давление возрастает примерно в 2 раза, и скорость перемещения соответственно.
Борно двухскоростного двигателя – на клеммы приходят 6 проводов
Схема двухскоростного двигателя
Двухскоростной двигатель гидростанции
Контакторы двухскоростного двигателя. Левый включает в треугольник (низкая скорость), правые – двойная звезда
Мотор-автоматы. Видно, что ток треугольника – до 8А, ток звезд – до 13А
Схема включения силовой части двигателя Даландера.
Схема включения части управления двухскоростного двигателя Даландера.
Коротко о схеме включения двигателя Даландера.
Двигатель включается через реле времени с задержкой отключения.
Реле времени 215А2 включается сразу, а отключается через 5 секунд. Это нужно, чтобы двигатель и контакторы не дергать по пустякам, и кратковременные остановки гидравлических перемещений не отключали двигатель гидростанции.
Далее реле 261К0 включает режим работы треугольник, реле 261К1 – звёзды.
Тепловое реле для электродвигателя схема подключения
Непосредственное подключение тепловых реле к контакторы осуществляется напрямую с помощью штыревых контактов. После подключения, в зависимости от величины тока, протекающего в цепи, необходимо отрегулировать уставки срабатывания колесиком поворотного регулятора. Нужный ток уставки обозначен на шкале специальными рисками, нанесенными на корпус прибора.
Панель управления реле оборудована кнопкой TEST, с помощью которой проверяется работоспособность устройства путем имитации срабатывания защиты. Кнопка STOP красного цвета позволяет принудительно разомкнуть нормально замкнутый контакт. При этом отключается питание, поступающее на катушку контактора, что в свою очередь приводит к отключению нагрузки. Примерно по такой схеме подключаются и работают все тепловые реле для защиты электродвигателей и их модификации.
Варианты подсоединения электрического двигателя
Чаще всего используется подключение мотора электрического под 220/380В с имеющимся конденсатором, посредством которого снижается мощность. Конденсаторный контакт следует присоединить к нулю, при этом другой – к следующему выходу двигателя. В итоге получается минимальной мощности устройство.


Что касается способа подсоединения асинхронного мотора электрического, то он просто подключается треугольником, а также звездой. У подобных агрегатов несколько обмоток. Для изменения имеющегося напряжения не обойтись без смены местами выходов, которые идут к верхней части соединений.

В процессе подключения подобных двигателей немаловажно ознакомиться с инструкцией, сертификатом, поскольку в импортных вариантах нередко можно встретить треугольник, который подходит под отечественные 220 вольт. Подобные двигатели при невнимательном отношении к данному вопросу и подключении звездой сразу же сгорают.. При мощности, достигающей больше чем 3 ватт, двигатель подключать не рекомендуется, так как это может стать причиной замыкания и поломкой автомата УЗО
При мощности, достигающей больше чем 3 ватт, двигатель подключать не рекомендуется, так как это может стать причиной замыкания и поломкой автомата УЗО.

Устройство системы
Коллекторный тип двигателя состоит главным образом из ротора, статора, а также щёток и тахогенератора.
- Ротор — это часть вращения, статор — это внешний по типу магнит.
- Щётки, которые произведены из графита — это главная часть скользящего контакта, через которую на вращающийся якорь и стоит подавать напряжение.
- Тахогенератор —это устройство, которое производит слежку за характеристикой вращения прибора. Если происходит нарушение в размеренности процесса вращения, то он корректирует поступающий в двигатель уровень напряжения, тем самым делая его наиболее плавным и медленным.
- Статор. Такая деталь может включать в себя не один магнит, а, к примеру, две пары полюсов. Вместе с этим на месте статических магнитов здесь будут находиться катушки электромагнитов. Совершать работу такое устройство способно как от постоянного тока, так и от переменного.
Схема регулятора оборотов коллекторного двигателя
В виде регуляторов оборотов электродвигателей 220 В и 380 В применяются особые частотные преобразователи. Такие устройства относят к высокотехнологическим, они и помогают совершить кардинальное преобразование характеристики тока (форму сигнала, а также частоту). В их комплектации имеются мощные полупроводниковые транзисторы, а также широтно-импульсный модулятор. Весь процесс осуществления работы устройства происходит с помощью управления специальным блоком на микроконтроллере. Изменение скорости во вращении ротора двигателей происходит довольно медленно.
Именно по этой причине частотные преобразователи применяются в нагруженных устройствах. Чем медленнее будет происходить процесс разгона, тем меньшая нагрузка будет совершена на редуктор, а также конвейер. Во всех частотниках можно найти несколько степеней защиты: по нагрузке, току, напряжению и другим показателям.
Некоторые модели частотных преобразователей совершают питание от однофазового напряжения (оно будет доходить до 220 Вольт), создают из него трехфазовое. Это помогает совершить подключение асинхронного мотора в домашних условиях без применения особо сложных схем и конструкций. При этом потребитель сможет не потерять мощность во время работы с таким прибором.
https://youtube.com/watch?v=EYkb8_6F-Sw
Зачем используют такой прибор-регулятор
Если говорить про двигатели регуляторов, то обороты нужны:
- Для существенной экономии электроэнергии. Так, не любому механизму нужно много энергии для выполнения работы вращения мотора, в некоторых случаях можно уменьшить вращение на 20−30 процентов, что поможет значительно сократить расходы на электроэнергию сразу в несколько раз.
- Для защиты всех механизмов, а также электронных типов цепей. При помощи преобразовательной частоты можно осуществлять определённый контроль за общей температурой, давлением, а также другими показателями прибора. В случае когда двигатель работает в виде определённого насоса, то в ёмкости, в которую совершается накачка воздуха либо жидкости, стоит вводить определённый датчик давления. Во время достижения максимальной отметки мотор попросту автоматически закончит свою работу.
- Для процесса плавного запуска. Нет особой необходимости применять дополнительные электронные виды оборудования — все можно осуществить при помощи изменения в настройках частотного преобразователя.
- Для снижения уровня расходов на обслуживание устройств. С помощью таких регуляторов оборотов в двигателях 220 В можно значительно уменьшить возможность выхода из строя приборов, а также отдельных типов механизмов.
Схемы, по которым происходит создание частотных преобразователей в электродвигателе, широко используются в большинстве бытовых устройств. Такую систему можно найти в источниках беспроводного питания, сварочных аппаратах, зарядках телефона, блоках питания персонального компьютера и ноутбука, стабилизаторах напряжения, блоках розжига ламп для подсветки современных мониторов, а также ЖК-телевизоров.
Схема подключения однофазного двигателя через конденсатор
При подключении однофазного конденсаторного двигателя есть несколько вариантов схем подключения. Без конденсаторов электромотор гудит, но не запускается.
- 1 схема — с конденсатором в цепи питания пусковой обмотки — хорошо запускаются, но при работе мощность выдают далеко не номинальную, а намного ниже.
- 3 схема включения с конденсатором в цепи подключения рабочей обмотки дает обратный эффект: не очень хорошие показатели при пуске, но хорошие рабочие характеристики. Соответственно, первую схему используют в устройствах с тяжелым пуском, а с рабочим конденсором — если нужны хорошие рабочие характеристики.
- 2 схема – подключения однофазного двигателя — установить оба конденсатора. Получается нечто среднее между описанными выше вариантами. Эта схема и используется чаще всего. Она на втором рисунке. При организации данной схемы тоже нужна кнопка типа ПНВС, которая будет подключать конденсатор только не время старта, пока мотор «разгонится». Потом подключенными останутся две обмотки, причем вспомогательная через конденсатор.
↑ Датчик оборотов
С обратной стороны видим датчик оборотов.

Внутри он выглядит примерно так: Это просто маленький генератор переменки. Задача состоит в том, чтобы подсчитать количество импульсов, если по каким-то причинам они следуют слишком медленно, контроллер «поддает газу» пока обороты не придут в норму. Благодаря обратной связи можно крутить двигатель даже очень медленно, не теряя в крутящем моменте.Не забывайте, чтобы дать значительную нагрузку двигателю, нужно использовать дополнительный вентилятор охлаждения, т. к. производительности родной крыльчатки на низких оборотах не хватает.
Регуляторы оборотов
Теперь возвращаемся к теме регулятора оборотов. Все доступные сегодня схемы можно разделить на две большие категории:
- Стандартная схема регулятора оборотов,
- Модифицированные устройства контроля оборотов.
Разберемся в особенностях схем подробнее.

Стандартные схемы
Стандартная схема регулятора коллекторного электромотора имеет несколько особенностей:
Изготовить динистор не составит труда
Это важное преимущество устройства, Регулятор отличается высокой степенью надежности, что положительно сказывается в течение его периода эксплуатации, Позволяет комфортно для пользователя менять обороты двигателя, Большинство моделей основаны на тиристорном регуляторе
Если вас интересует принцип работы, то такая схема выглядит довольно просто.
Заряд тока от источника 220 Вольт идет к конденсатору. Далее идет напряжение пробоя динистора через переменный резистор. После этого происходит непосредственно сам пробой. Симистор открывается. Этот элемент несет ответственность за нагрузку. Чем выше окажется напряжение, чем чаще будет происходить открытие симистора. За счет подобного принципа работы происходит регулировка оборотов электродвигателя. Наибольшая доля подобных схем регулировки электродвигателя приходится на импортные бытовые пылесосы
Но при использовании стандартной схемы регулятора оборотов важно понимать, что он обратной связью не обладает. И если с нагрузкой произойдут изменения, обороты электродвигателя придется настраивать

Модифицированная схема
Прогресс не стоит на месте. Несмотря на удовлетворительные характеристики стандартной схемы регулятора оборотов двигателя, усовершенствования никому еще не навредили.
Наиболее часто применяемыми схемами являются две:
- Реостатная. Из названия становится очевидно, что здесь основой выступает реостатная схема. Такие регуляторы высокоэффективные при смене количества оборотов электродвигателя. Высокие показатели эффективности объясняются использованием силовых транзисторов, отбирающих часть напряжения. Так меньшее количество тока из источника 220 Вольт поступает на двигатель, ему не приходится работать с большой нагрузкой. При этом схема имеет определенный недостаток большое количество выделяемого тепла. Чтобы регулятор работал длительное время, для электроинструмента потребуется активное постоянное охлаждение,
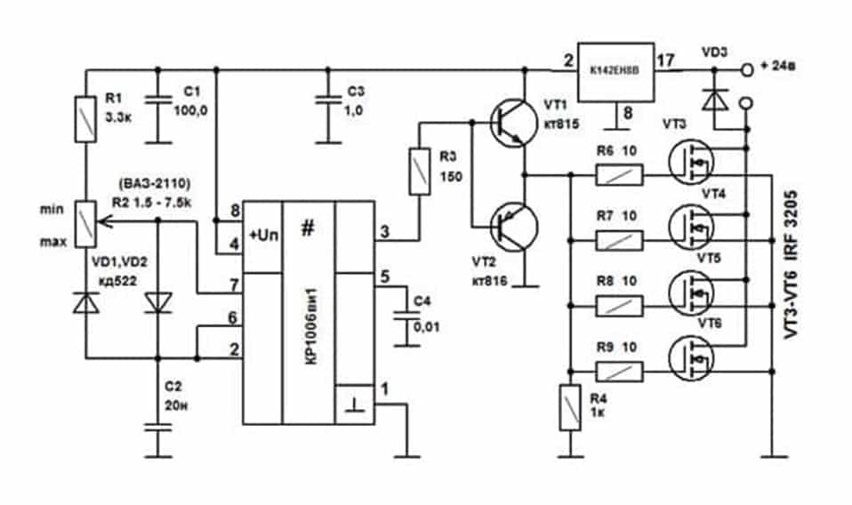
- Интегральная. Для работы интегрального устройства регулирования используется интегральный таймер, который отвечает за нагрузку на электродвигатель. Здесь могут быть задействованы всевозможные транзисторы. Это обусловлено наличием микросхемы в конструкции с большими параметрами выходного тока. При нагрузке менее 0,1 Ампер, все напряжение идет непосредственно на микросхему, обходя транзисторы. Чтобы регулятор работал эффективно, на затворе требуется наличие напряжения в 12 Вольт. Из этого вытекает, что электрическая цепь и напряжение питания обязаны отвечать данному диапазону.
Регулировка оборотов электродвигателей повышает области их применения
Резка металла, камня, дерева, полировка кузова автомобиля, применение алмазных дисков и дисков разных диаметров – все эти работы требуют выбора такой скорости вращения электродвигателя, которая была бы безопасной в работе и не портила обрабатываемый материал.

Для достижения этих целей существуют регуляторы оборотов электродвигателей. Некоторый электроинструмент имеет встроенные регуляторы оборотов, инструмент эконом-класса регуляторов не имеет, но в технической литературе и во Всемирной паутине есть множество схем и рекомендаций как сделать регулятор оборотов двигателя своими руками.
«>

«>

«>

Работа устройств со специфической подвижной частью
Привычным вариантом роторного узла трехфазного асинхронного электродвигателя является короткозамкнутый типа «беличья клетка», который набирается из стальных пластин. Когда существует необходимость снизить номинал пусковых токов с возможностью регулирования частоты вращения, тогда используется фазный ротор. Характерной его особенностью являются две группы выводов:
- Статорная. Классический клеммный блок, на который подводится напряжение сети (380 или 220В),
- Роторная. Дополнительный клеммник для выводов обмоток фазного ротора, к которым подключаются контакты реостата (блока сопротивлений).
Последний необходим для плавного пуска с постепенным включением/отключением отдельных сопротивлений в обмоточной цепи фазного ротора.
Регуляторы стандартные
Что касается данных компонентов, то они реализуются множеством способов. Первая и самая простая схема – тиристорная. Такая технология применяется в бытовых приборах: стиральных машинах, дрелях, шуруповертах, пылесосах, и др. С легкостью подключаются к сетям переменного тока, в том числе и бытового назначения.
Стандартная схема
Работа этой схемы довольно простая: на всех участках сетевых токов, конденсатор получает ток при помощи резистора. Зарядка осуществляется до уровня открытия динистора, который подключен к регулирующим электродам сисмстора. После этого последний открывается и через него проходит ток к нагрузкам КД.
Схема дает возможность продуктивно регулировать время подзарядки конденсатора в управленческой цепи, а также определяя среднюю мощность напряжения, подаваемую на мотор.
Давайте упорядочим все шаги работы данной схемы. Вот они:
- подача тока к конденсатору от источника питания на 220 вольт;
- напряжение для пробоя динистора подается также, но уже через резистор переменного типа;
- непосредственно пробой;
- открытие симистора. Компонент работает непосредственно с показателями нагрузки;
- чем выше напряжение – тем чаще симистор открывается.
Данная технология обеспечивает простое, но в то же время эффективное регулирование интенсивности оборотов. Но, в то же время применение стандартной схемы не обеспечивает обратной связи, что также стоит учитывать при ее реализации. Исходя из этого, нужно также знать, что при изменении показателей нагрузки, параллельно будут нуждаться в настройке обороты мотора.
Схема симисторная
Этот механизм имеет много общих параметров с диммером, применяемом для регулирования уровня яркости ламп накалывания. Обратная связь также отсутствует. Реализовать реверс по току моно, но с применением вспомогательной электроники. Это делается для того, чтобы беспрепятственно удерживать мощность на заданных показателях, не допуская перегревов и перегрузок.
Реостатная схема
Относится к модифицированным схемам, но, несмотря на это, ее реализация также отличается простотой. С помощью получается стабилизировать обороты, а также рассеивать огромное количество вырабатываемого тепла. Регулировка осуществляется с помощью радиатора, который нужно заранее заготовить. Надо обеспечить и эффективный отвод тепла, что приводит к потерям энергии и, как следствие – коэффициента полезного действия. Для того чтобы предотвратить эти недостатки, рекомендуют применять активное охлаждение на постоянной основе.
Реостатная схема пример
Полученный регулятор ограничитель отличается своей эффективностью, при реализации смены числа оборотов двигателя. Также достичь производительности помогут силовые транзисторы, «отбирающие» определенную долю напряжения. Это обусловливается тем, что количество тока из сети 220В доходит до мотора в меньшем объеме, благодаря этому, силовой агрегат не сталкивается с большими нагрузками.
Интегральная
Стабилизация также относится к модифицированным схемам. Здесь в основе процесса регулирования лежит таймер интегрального действия. Его основная задача – контролировать уровни нагрузки на электродвигатель. Здесь также находят свое применение транзисторы. Особенность обусловливается микроконтроллером, входящим в состав системы, при этом, обладающим высокими параметрами выходного напряжения.
В ситуациях, когда имеет место нагрузка в 0,1 ампер, все токи поступают напрямую на плату, обходя транзисторы. Чтобы обеспечить эффективную работу регулятора, необходимо, чтобы на затворе было напряжение 12в. Следовательно, для слаженной работы, электрическая цепь и уровень напряжения в источнике питания должны соответствовать этому диапазону. Ресурс регулятора позволяет устанавливать компонент в мощных модификациях, для точного и быстрого регулирования их работы.
Интегральная схема
Болгарка с регулятором оборотов: возможности электроинструмента
Если болгарка не оснащена регулятором оборотов, можно ли установить его самостоятельно? Большинство угловых шлифовальных машин (УШМ), в простонародье болгарок, имеют регулятор оборотов.
Регулятор оборотов расположен на корпусе УШМ
Рассмотрение различных регулировок нужно начать с анализа электрической схемы болгарки.
простейшее представление электросхемы шлифовальной машины
Более продвинутые модели автоматически поддерживают скорость вращения вне зависимости от нагрузки, но чаще встречаются инструменты с ручной регулировкой оборотов диска.
Если на дрели или электрическом шуруповерте используется регулятор куркового типа, то на УШМ такой принцип регулирование невозможен. Во-первых – особенности инструмента предполагают другой хват при работе.
Во-вторых – регулировка во время работы недопустима, поэтому значение оборотов выставляется при выключенном моторе.
Для чего вообще регулировать скорость вращения диска болгарки?
- При резке металла разной толщины, качество работы сильно зависит от скорости вращения диска. Если резать твердый и толстый материал – необходимо поддерживать максимальную скорость вращения. При обработке тонкой жести или мягкого металла (например, алюминия) высокие обороты приведут к оплавлению кромки или быстрому замыливанию рабочей поверхности диска;
- Резка и раскрой камня и кафеля на высокой скорости может быть опасной. К тому же диск, который крутится с высокими оборотами, выбивает из материала мелкие куски, делая поверхность реза щербатой. Причем для разных видов камня выбирается разная скорость. Некоторые минералы как раз обрабатываются на высоких оборотах;
- Шлифовальные работы и полировка в принципе невозможны без регулирования скорости вращения. Неправильно выставив обороты, можно испортить поверхность, особенно – если это лакокрасочное покрытие на автомобиле или материал с низкой температурой плавления;
- Использование дисков разного диаметра автоматически подразумевает обязательное наличие регулятора. Меняя диск Ø115 мм на Ø230 мм, скорость вращения необходимо уменьшить практически вдвое. Да и удержать в руках болгарку с 230 мм диском, вращающимся на скорости 10000 об/мин практически нереально;
- Полировка каменных и бетонных поверхностей в зависимости от типа используемых коронок производится на разных скоростях. Причем при уменьшении скорости вращения крутящий момент не должен снижаться;
- При использовании алмазных дисков необходимо уменьшать количество оборотов, так как от перегрева их поверхность быстро выходит из строя. Разумеется, если ваша болгарка работает только в качестве резака для труб, уголка и профиля – регулятор оборотов не потребуется. А при универсальном и разностороннем применении УШМ он жизненно необходим.
Типовая схема регулятора оборотов
Вот так выглядит плата регулятора оборотов в сборе
Регулятор оборотов двигателя – это не просто переменный резистор, понижающий напряжение. Необходим электронный контроль величины силы тока, иначе с падением оборотов будет пропорционально снижаться мощность, а соответственно и крутящий момент.
В конце концов, наступит критически малая величина напряжения, когда при малейшем сопротивлении диска электродвигатель просто не сможет повернуть вал.
Поэтому, даже самый простой регулятор необходимо рассчитать и выполнить в виде проработанной схемы.
Электрическая схема
А более продвинутые (и соответственно дорогие) модели оснащаются регуляторами на основе интегральной микросхемы.
Интегральная схема регулятора. (наиболее продвинутый вариант)
Если рассматривать электрическую схему болгарки в принципе, то она состоит из регулятора оборотов и модуля плавного пуска.
Электроинструменты, оснащенные продвинутыми электронными системами, существенно дороже своих простых собратьев. Поэтому далеко не каждый домашний мастер в состоянии приобрести такую модель.
Надежность современных электронных компонентов УШМ превосходит ресурс обмоток двигателя, поэтому не стоит бояться приобретения электроинструмента, оснащенного такими приспособлениями.
Ограничителем может быть лишь цена изделия. Мало того, пользователи недорогих моделей без регулятора рано или поздно приходят к самостоятельной его установке.
Блок можно приобрести в готовом виде или изготовить самостоятельно.
Проверка работоспособности компрессора без реле
Для осуществления задуманного потребуется приспособление, состоящее из провода двужильного типа, звонковой кнопки, зажимов «крокодил» (3 штук), штепселя (пример на фото). Таким образом холодильник реально подключить без пускового реле, не игнорируя защиту от перегрева.
Далее следует отсоединить холодильник от электропитания; поменять контакты клемм на пусковом реле, руководствуясь электрической схемой бытового прибора; ввести терморегулятор в рабочий режим; подключить бытовой прибор обратно к сети.
Расположение реле
Если холодильник Индезит (Атлант) запустился как полагается, то проблема однозначно в пусковом механизме. При отсутствии реакции со стороны агрегата неисправность кроется в моторе-компрессоре Aspera.
Принцип действия
Во время пуска электродвигателя коллекторного типа происходит значительное кратковременное увеличение тока потребления, которое и служит причиной преждевременного выхода из строя электроинструмента и сдачей его в ремонт. Происходит износ электрических частей (превышение тока в 7 раз) и механических (резкий запуск). Для организации «мягкого» пуска следует применять устройства плавного пуска (далее УПП). Эти устройства должны соответствовать основным требованиям:
- Плавное увеличение нагрузки.
- Возможность запуска двигателя через определенные интервалы времени.
- Обеспечение защиты от линейных скачков U, пропадания фазы (для 3-фазного электродвигателя) и различных помех электрической составляющей.
- Значительно повышение срока эксплуатации.
Наиболее широкое распространение получили симисторные УПП, принципом действия которых является плавное регулирование U при помощи регулировки угла открытия перехода симистора. Симистор нужно подключить напрямую к обмоткам двигателя и это позволяет уменьшить пусковой ток от 2 до 5 раз (зависит от симистора и схемы управления). К основным недостаткам симисторных УПП являются следующие:
- Сложные схемы.
- Перегрев обмоток при длительном запуске.
- Проблемы с запуском двигателя (приводит к значительному нагреву статорных обмоток).
Схемы усложняются при использовании мощных двигателей, однако, при небольших нагрузках и холостом ходе возможно использование простых схем.
УПП с регуляторами без обратной связи (по 1 или 3 фазам) получили широкое распространение. В моделях этого типа появляется возможность предварительного выставления времени пуска и величины U перед пуском двигателя. Однако, в этом случае невозможно регулировать величину вращающего момента при нагрузке. С этой моделью применяется специальное устройство для снижения пускового тока, защиты от пропадания и перекоса фаз, а также от перегрузок. Заводские модели имеют функцию слежения за состоянием электромотора.
Простейшие схемы однофазного регулирования исполняются на одном симисторе и используются для инструмента с мощностью до 12 кВт. Существуют более сложные схемы, позволяющие производить регулировку параметров питания двигателя мощностью до 260 кВт. При выборе УПП заводского производства необходимо учесть такие параметры: мощность, возможные режимы работы, равенство допустимы токов и количество запусков в определенный промежуток времени.
Выбираем устройство
Для того чтобы подобрать эффективный регулятор необходимо учитывать характеристики прибора, особенности назначения.
Для коллекторных электродвигателей распространены векторные контроллеры, но скалярные являются надёжнее.
Важным критерием выбора является мощность. Она должна соответствовать допустимой на используемом агрегате
А лучше превышать для безопасной работы системы.
Напряжение должно быть в допустимых широких диапазонах.
Основное предназначение регулятора преобразовывать частоту, поэтому данный аспект необходимо выбрать соответственно техническим требованиям.
Ещё необходимо обратить внимание на срок службы, размеры, количество входов.
Прибор триак
Устройство симистр (триак) используется для регулирования освещением, мощностью нагревательных элементов, скоростью вращения.
Схема контроллера на симисторе содержит минимум деталей, изображенных на рисунке, где С1 – конденсатор, R1 – первый резистор, R2 – второй резистор.




























