Характеристики
Напряжение, создаваемое на обкладках двухполюсника, равно разности потенциалов:
Высоковольтные конденсаторы
U = ϕ1 – ϕ2.
Зная напряжение и заряд, можно вычислить ёмкость (С). Это одна из основных характеристик двухполюсника:
С = q/U,
где:
- C – ёмкость, Ф (фарад);
- q – заряд, накопленный двухполюсником, Кл (кулон);
- U – напряжение, В.
Электроёмкость является физической величиной, которую определяют, разделив заряд пластины на разность потенциалов между пластинами. Единица измерений C – фарада (Ф).
К сведению. Ёмкость, равная 1 Ф, – большая величина, поэтому на практике её измеряют: в микрофарадах (мкФ), пикофарадах (пФ), нанофарадах (нФ).
Таблица измерения ёмкости
К остальным параметрам двухполюсника относятся:
- плотность энергии;
- номинальное напряжение;
- полярность.
Когда масса корпуса детали значительно меньше, чем общая масса электролита и пластин, тогда достигается максимально высокая плотность энергии.
Номинальным называется такое напряжение, при котором элемент может работать длительное время, без нарушения (отклонения) рабочих характеристик.
Емкостные двухполюсники бывают:
- неполярными;
- полярными (электролитическими).
Неполярные детали при подключении не ориентированы на полярность выводов заряда источника питания. Особенность электролитических элементов связана с химической реакцией между диэлектриком и электролитом. У таких моделей есть анод (положительный вывод) и катод (отрицательный вывод).
Типы конденсаторов
Существуют различные виды конденсаторов для электродвигателей:
- Фольговые конденсаторы отличаются хорошей стабильностью параметров (в основном, емкости), также могут работать при высоких напряжениях (порядка нескольких сотен вольт). По этой причине их охотно используют в основном в цепях питания сети. Емкости фольговых конденсаторов остаются на уровне от примерно одного до нескольких десятков микрофарад.
- Электролитические конденсаторы предлагают очень большую емкость (от единиц микрофарад до нескольких десятков фарад). Эти типы конденсаторов имеют довольно низкую точность измерения емкости (часто в диапазоне +/- 20%) и показывают довольно большие колебания этого параметра в зависимости от температуры окружающей среды, рабочего напряжения и времени. Можно выделить две основные группы: алюминиевые и танталовые электролитические конденсаторы.
- Керамические конденсаторы наиболее часто используются. Их структура в чем-то схожа с фольгированными конденсаторами Эти конденсаторы характеризуются самой низкой емкостью среди упомянутых типов элементов (от единичных пикофарад до нескольких микрофарад), но у них есть другие, очень выгодные с практической точки зрения особенности. Они обеспечивают хорошую температурную стабильность, низкий допуск по емкости и низкие потери. Такие конденсаторы могут присутствовать как в корпусах для сквозных отверстий, так и в корпусах для поверхностного монтажа.
- Слюдяные конденсаторы, несмотря на многие превосходные свойства (включая высокую стабильность емкости во времени, строго определенный температурный коэффициент емкости), постепенно снимаются с производства по материальным и технологическим причинам. Слюдяные конденсаторы сконструированы аналогично керамическим многослойным конденсаторам, но, поскольку они не подвергаются отжигу при высоких температурах, электроды могут быть изготовлены из серебра.
- Конденсаторы из полистирола отличаются высокой стабильностью, высоким сопротивлением изоляции, малым тангенсом угла потерь, малым (и в то же время постоянным) отрицательным температурным коэффициентом емкости и возможностью достижения жестких допусков емкости. В некоторой степени недостатком этих конденсаторов является относительно низкая верхняя допустимая рабочая температура (+ 70С).
Фото конденсаторов для электродвигателей поможет вам при походе в магазин.
Параметры конденсатора
Основными характеристиками конденсатора являются номинальная емкость с допуском, а также номинальное напряжение и диэлектрические потери.
К наиболее важным параметрам конденсатора относятся испытательное напряжение, допустимое переменное напряжение, сопротивление изоляции, температурный коэффициент емкости, климатическая категория и размеры.
- На емкость конденсатора электродвигателя можно влиять, изменяя три параметра: поверхность крышек, расстояние между ними и проницаемость изолятора. Если нужно получить конденсатор с большей емкостью, то следует использовать большие пластины, уменьшить расстояние между ними и использовать хороший диэлектрик.
- Однако, при увеличении поверхность крышек, неизбежно увеличиваются габариты конденсатор. При уменьшении расстояние между пластинами, снижается максимальное напряжение, с которым может работать конденсатор.
- При очень тонком диэлектрическом слое небольшого напряжения достаточно, чтобы пробить изолятор и вызвать короткое замыкание.
Электродвигатель потребляет много мгновенной мощности во время запуска и создает значительные помехи. Пусковые конденсаторы используются для обеспечения двигателя достаточной мощностью и в то же время соответствующего фазового сдвига в однофазных двигателях.
Использование электролитических конденсаторов
Можно применять даже электролитические конденсаторы, но у них есть особенность – они должны работать на постоянном токе. Поэтому, чтобы установить их в конструкцию, потребуется использовать полупроводниковые диоды. Без них использовать электролитические конденсаторы нежелательно – они имеют свойство взрываться.
Но даже если вы установите диоды и сопротивления, это не сможет гарантировать полную безопасность. Если полупроводник пробивается, то на конденсаторы поступит переменный ток, в результате чего произойдет взрыв. Современная элементная база позволяет использовать качественные изделия, например конденсаторы полипропиленовые для работы на переменном токе с обозначением СВВ.
Например, обозначение элементов СВВ60 говорит о том, что конденсатор имеет исполнение в цилиндрическом корпусе. А вот СВВ61 имеет прямоугольной формы корпус. Эти элементы работают под напряжением 400… 450 В. Поэтому они могут без проблем использоваться в конструкции любого аппарата, где требуется подключение асинхронного трехфазного электродвигателя в бытовую сеть.
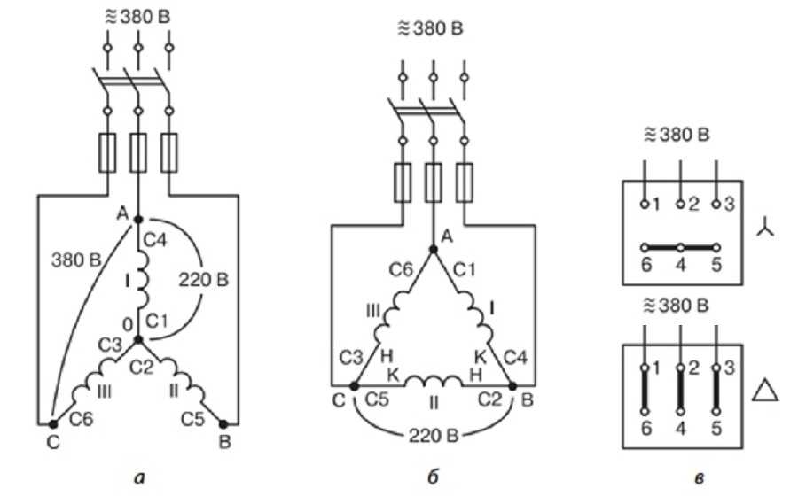
Схема подключения «звезда»
В случае если на клеммнике электродвигателя 6 выводов — следует их прозвонить по отдельности и определить, какие выводы связаны друг с другом. В паспорте мотора нужно найти назначение выводов. После этого схема переподключается, формируя привычный «треугольник».
С этой целью снимаются перемычки и контактам присваивают условные обозначения от A до F. Далее последовательно соединяются контакты: A и D, B и E, C и F.
Теперь контакты D, E и F станут соответственно нулевым, рабочим и фазовым проводом. Конденсатор присоединяют к ним точно так же, как в предыдущем случае.
При первом включении нужно внимательно следит за тем, чтобы обмотки не перегревались. В этом случае следует немедленно отключить устройство и определить причину перегрева.
Использование электролитических конденсаторов
Конденсаторы с диэлектриком из бумаги отличаются малой удельной емкостью и значительными габаритами. Для двигателя даже не самой большой мощности они будут занимать много места. Теоретически их можно заменить электролитическими, обладающими в несколько раз более высокой удельной емкостью.

Разновидности устройства электролитического конденсатора
Для этого электрическую схему придется дополнить несколькими элементами: диодами и резисторами. Такой вариант неплох для эпизодически работающего двигателя. Если же планируются продолжительные нагрузки, то от экономии места и веса лучше отказаться — при случайном выходе диода из строя он начнет пропускать на накопитель переменный ток, что приведет к его пробою и взрыву.
Выходом могут служить полипропиленовые конденсаторы с металлическим напылением серии СВВ, разработанные для использования в качестве пусковых.
Характеристики
Напряжение, создаваемое на обкладках двухполюсника, равно разности потенциалов:
Зная напряжение и заряд, можно вычислить ёмкость (С). Это одна из основных характеристик двухполюсника:
где:
- C – ёмкость, Ф (фарад);
- q – заряд, накопленный двухполюсником, Кл (кулон);
- U – напряжение, В.
Электроёмкость является физической величиной, которую определяют, разделив заряд пластины на разность потенциалов между пластинами. Единица измерений C – фарада (Ф).
К сведению. Ёмкость, равная 1 Ф, – большая величина, поэтому на практике её измеряют: в микрофарадах (мкФ), пикофарадах (пФ), нанофарадах (нФ).
К остальным параметрам двухполюсника относятся:
- плотность энергии;
- номинальное напряжение;
- полярность.
Когда масса корпуса детали значительно меньше, чем общая масса электролита и пластин, тогда достигается максимально высокая плотность энергии.
Номинальным называется такое напряжение, при котором элемент может работать длительное время, без нарушения (отклонения) рабочих характеристик.
Емкостные двухполюсники бывают:
- неполярными;
- полярными (электролитическими).
Неполярные детали при подключении не ориентированы на полярность выводов заряда источника питания. Особенность электролитических элементов связана с химической реакцией между диэлектриком и электролитом. У таких моделей есть анод (положительный вывод) и катод (отрицательный вывод).
Немного истории

Английский физик Чарльз Уинстон в далеком 1841 году представил первый однофазный двигатель, еще не умевший самостоятельно раскручиваться. Это делалось вручную или при помощи другого двигателя.
В 1884-1885 годах был разработан двигатель, имеющий обмотки якоря и обмотки возбуждения и названный «универсальным». Сделали это венгерские инженеры, соавторы трансформатора Микша Дери и Отто Блати, и независимо от них Вернер Сименс. Электродвигатели такого типа применяются по сей день.
Кроме того, разработкой электрических двигателей занимался Никола Тесла. Первый конденсаторный двигатель был разработан французскими инженерами Морисом Хитином и Морисом Лебланом в 1890 году. Как подобрать конденсатор для трехфазного двигателя в наше время, разберемся далее.
Как подобрать конденсаторы для трехфазного двигателя, используя его в сети 220в.
Первое, что нужно знать ― конденсаторы должны быть неполярными, то есть не электролитическими. Лучше всего использовать емкости марки ― МБГО. Их с успехом использовали в СССР и в наше время. Они прекрасно выдерживают напряжение, скачки тока и разрушающее воздействие окружающей среды.
Также они имеют проушины для крепления, помогающие без проблем расположить их в любой точке корпуса аппарата. К сожалению, достать их сейчас проблематично, но существует множество других современных конденсаторов ничем не хуже первых. Главное, чтобы, как уже говорилось выше, рабочее напряжение их не было меньше 400в.
Расчет конденсаторов. Емкость рабочего конденсатора.
Чтобы не обращаться к длинным формулам и мучить свой мозг, есть простой способ расчета конденсатора для двигателя на 380в. На каждые 100 Вт (0,1 кВт) берется — 7 мкФ. Например, если двигатель 1 кВт, то рассчитываем так: 7 * 10 = 70 мкФ. Такую емкость в одной банке найти крайне трудно, да и дорого. Поэтому чаще всего емкости соединяют в параллель, набирая нужную емкость.
Емкость пускового конденсатора.
Это значение берется из расчета в 2-3 раза больше, чем емкость рабочего конденсатора. Следует учитывать, что эта емкость берется в сумме с рабочей, то есть для двигателя 1 кВт рабочая равна 70 мкФ, умножаем ее на 2 или 3, и получаем необходимое значение. Это 70-140 мкФ дополнительной емкости — пусковой. В момент включения она соединяется с рабочей и в сумме получается — 140-210 мкФ.
Особенности подбора конденсаторов.
Конденсаторы как рабочие, так и пусковые можно подбирать методом от меньшего к большему. Так подобрав среднюю емкость, можно постепенно добавлять и следить за режимом работы двигателя, чтобы он не перегревался и имел достаточно мощности на валу. Также и пусковой конденсатор подбирают добавляя, пока он не будет запускаться плавно без задержек.
Кроме указанного выше типа конденсатора — МБГО, можно использовать тип — МБГЧ, МБГП, КГБ и тому подобные.
Какой тип использовать
Требования к конденсаторам для запуска электродвигателей простые:
- величина ёмкости достаточная для запуска мотора;
- номинальное напряжение подбирают на 10-15% выше, чем подключаемое;
- двухполюсник обязан работать с приложенным видом тока.
Есть небольшие нюансы для электрических машин, различающихся по принципу работы.
Для работы с трехфазным электродвигателем
В этом случае деталь осуществляет сдвиг фазы у обмотки асинхронной машины, и ее ёмкость должна быть высокой. Создание пускового момента и дальнейшая работа под нагрузкой требуют более точного подбора этой характеристики элемента.
Включение с однофазным электродвигателем
Пусковые конденсаторы здесь применяются для присоединения дополнительной обмотки. Она предназначена для запуска мотора и может быть включена как постоянно, через двухполюсник, так и кратковременно без него.
Особенности выбора детали
Выбранные конденсаторы пусковые соответствуют подаваемому напряжению. Величина их ёмкости не должна позволять двигателю перегреваться во время работы и легко запускать его в момент включения. Особых сложностей с подбором элементов не возникает.
Расчет конденсаторов для работы трехфазного асинхронного двигателя в однофазном режиме
Для включения трехфазного электродвигателя (что такое электродвигатель ➠ ) в однофазную сеть обмотки статора могут быть соединены в звезду или треугольник.
Напряжение сети подводят к началам двух фаз. К началу третьей фазы и одному из зажимов сети присоединяют рабочий конденсатор 1 и отключаемый (пусковой) конденсатор 2, который необходим для увеличения пускового момента.
После пуска двигателя конденсатор 2 отключают.
Рабочую емкость конденсаторного двигателя для частоты 50 Гц определяют по формулам:
где Ср — рабочая емкость при номинальной нагрузке, мкФ;Iном — номинальный ток фазы двигателя, А;U — напряжение сети, В.
Нагрузка двигателя с конденсатором не должна превышать 65—85% номинальной мощности, указанной на щитке трехфазного двигателя.
Если пуск двигателя происходит без нагрузки, то пусковая емкость не требуется — рабочая емкость будет в то же время пусковой. В этом случае схема включения упрощается.
При пуске двигателя под нагрузкой, близкой к номинальному моменту необходимо иметь пусковую емкость Сп = (2,5 ÷ 3) Ср .
Выбор конденсаторов по номинальному напряжению производят по соотношениям:
где Uк и U — напряжения на конденсаторе и в сети.
Основные технические данные некоторых конденсаторов приведены в таблице.
Если трехфазный электродвигатель, включенный в однофазную сеть, не достигает номинальной частоты вращения, а застревает на малой скорости, следует увеличить сопротивление клетки ротора проточкой короткозамыкающих колец или увеличить воздушный зазор шлифовкой ротора на 15—20%.
В том случае, если конденсаторы отсутствуют, можно использовать резисторы, которые включаются по тем же схемам, что и при конденсаторном пуске. Резисторы включаются вместо пусковых конденсаторов (рабочие конденсаторы отсутствуют).
Сопротивление (Ом) резистора может быть определено по формуле
где R — сопротивление резистора;κ и I — кратность пускового тока и линейный ток в трехфазном режиме.
Пример расчета рабочей емкости конденсатора для двигателя
Определить рабочую емкость для двигателя АО 31/2, 0.6 кВт, 127/220 В, 4.2/2.4 А, если двигатель включен по схеме, изображенной на рис. а, а напряжение сети равно 220 В. Пуск двигателя без нагрузки.
1. Рабочая емкость
2. Напряжение на конденсаторе при выбранной схеме
По таблице выбираем три конденсатора МБГО-2 по 10 мкФ каждый с рабочим напряжением 300 В. Конденсаторы включать параллельно.
Видео о том, как подключить электродвигатель на 220 вольт:
Всегда внимательно проверяйте полярность!
| Не правильное подключение конденсатора может вызвать повреждение, короткое замыкание или взрыв! |
Подбирая конденсаторы, нужно выбирать элементы с соответствующим рабочим напряжением, и помните о правильности их подключения.
Следующий эксперимент с неправильным подключением конденсатора был проведен нами в безопасных контролируемых условиях. Не делайте этого самостоятельно! На фото ниже показано, что происходит с конденсатором, напряжение которого обратно пропорционально.
И кстати, подумайте, а что было бы, если бы мы подключили 20 таких конденсаторов, и при включении все они взорвались? Ниже представлены фото до включения питания и после:
| Рабочий конденсатор | Неправильно подключенный конденсатор |
Бывает, что конденсатор со временем может перестать работать. Нерабочий конденсатор можно определить на глаз, его распирает, стаканчик как бы вздувается. Конденсаторы большей емкости снабжены предохранительными механизмами, в виде прорезей в верхней его части.
Эти прорези работают как предохранительный клапан, который открывается при повышении внутреннего давления до того, как произойдет взрыв. Выше вы видите электролитический конденсатор, в котором сработал такой предохранительный механизм.
Как подобрать конденсаторы для запуска электродвигателя
Функция стабилизаторов сводится к тому, что они выполняют роль емкостных наполнителей энергии для выпрямителей фильтров стабилизаторов. Также они могут производить передачу сигнала между усилителями. Для запуска и работы в течение продолжительного количества времени, в системе переменного тока для асинхронных двигателей тоже используют конденсаторы. Время работы такой системы можно варьировать с помощью емкости выбранного конденсатора.
- Описание разновидностей конденсаторов и расчет удельной емкости ↓
- Схема подключения «Треугольник» ↓
- Схема подключения «Звезда» ↓
- Блиц-советы ↓
Первым и единственно главным параметром вышеупомянутого инструмента является емкость. Она зависит от площади активного подключения, который изолирован слоем диэлектрика. Этот слой практически невиден человеческому глазу, небольшое количество атомных слоев формируют ширину пленки.
То есть конденсатор создан для того, чтоб накапливать, хранить и передавать определенное количество энергии. Так зачем они нужны, если можно подключить источник питания напрямую к двигателю. Все тут не так просто. Если подключить двигатель непосредственно к источнику питания, то в лучшем случае он не будет работать, в худшем сгорит.
Для того чтоб трехфазный мотор работал в однофазной цепи нужен аппарат, который сможет сдвинуть фазу на 90° на рабочем (третьем) выводе. Также конденсатор играет роль, такой себе катушки индуктивности, за счет того что через него проходит переменный ток – его скачки нивелируются за чет того что, перед работой, в конденсаторе отрицательные и положительные заряды равномерно накапливаются на пластинах, а потом передаются принимающему устройству.
Всего существует 3 основных вида конденсаторов:
- Электролитические;
- Неполярные;
- Полярные.
Как поменять направление вращения
Если поменять направление нужно только 1 раз, то это можно сделать еще на стадии переделки. Для этого достаточно поменять местами любые две обмотки статора. Той же цели достигает перекидывание ветки конденсаторов с нуля на фазу, или наоборот. Но если вам нужно часто реверсировать трехфазный переделанный мотор, необходим переключатель. Собрав электродвигатель по схеме ниже, вы освободите себя от смены намоток каждый раз, когда нужно задать обратное направление вращения вала.
В переделке трехфазного электрического двигателя под однофазную сеть своими руками нет ничего трудного. Наибольшую сложность составит только расчет емкости рабочего конденсатора и экспериментальный подбор емкости из подсчитанного диапазона для пускового накопителя. Но и это становится легко, если вы не потеряли технический паспорт, а под рукой есть калькулятор.
Как выбрать конденсатор
Есть несколько нюансов, которые касаются количества подсоединяемых конденсаторов.
- Если мощность электромотора не превышает 1,5 кВт, то в схему можно устанавливать один рабочий конденсатор.
- Если же двигатель сразу при пуске работает под нагрузкой или его мощность превышает 1,5 кВт, тогда в схему придется установить два конденсатора: рабочий и пусковой. Оба элемента в схему вставляются параллельно. При этом последний будет работать только при запуске мотора, после чего он автоматически отключается.
По сути, схема подключения электродвигателя запитана на кнопку «Пуск» и на тумблер отключения питания. Чтобы запустить мотор, необходимо нажать на кнопку «Пуск» и удерживать ее до полного включения двигателя. Это можно контролировать даже на слух.
Устройство и предназначение конденсаторов
Этот элемент электрической схемы состоит из двух пластин (обкладок). Обкладки расположены по отношению друг к другу так, что между ними оставлен зазор. При включении конденсатора в цепь электрического тока на обкладках накапливаются заряды. Из-за физического зазора между пластинами устройство обладает маленькой проводимостью.
Внимание! Этот зазор бывает воздушным или заполнен диэлектриком. В качестве диэлектрика применяются: бумага, электролит, оксидные плёнки
Главная особенность такого двухполюсника – способность накапливать энергию электрического поля и мгновенно отдавать её на нагрузку (заряд и разряд).
Первым прототипом ёмкости стала Лейденская банка, созданная в 1745 году в городе Лейдене немцем фон Клейстом. Банку изнутри и снаружи выстилали медной фольгой. Так появилась идея создания обкладок.
Графическое обозначение двухполюсника на схемах и чертежах – две вертикально расположенные черты (как обкладки) с зазором между ними.
Назначение и подключение пусковых конденсаторов для электродвигателей
Перед тем, как подключать трехфазный электродвигатель в однофазную сеть убедитесь, что его обмотки соединены «треугольником» см. При этом частота вращения двигателя практически не отличается от его частоты при работе в трёхфазном режиме. На рисунке показаны клеммные колодки электродвигателей и соответствующие им схемы соединения обмоток. Эти пучки проводов представляют собой «начала» и «концы» обмоток двигателя. При включении трёхфазного электродвигателя в однофазную сеть, в схему «треугольник» добавляются пусковой конденсатор Сп, который используется кратковременно только для запуска и рабочий конденсатор Ср. В качестве кнопки SB для запуска эл.
Наибольшая нагрузка на электродвигатель действует на момент его старта. Именно в этой ситуации пусковой конденсатор начинает работать. Также отметим, что во многих ситуациях пуск проводится под нагрузку.
На нашем сайте собрано более бесплатных онлайн калькуляторов по математике, геометрии и физике. Не можете решить контрольную?! Мы поможем! Более 20 авторов выполнят вашу работу от руб!
Конденсатор — электронный компонент, предназначенный для накопления электрической энергии. По характеру работы он относится к пассивным элементам. В зависимости от режима работы, в которой работает элемент, различают конденсаторы постоянной емкости и переменной как вариант — подстроечные. По виду рабочего напряжения: полярные — для работы при определенной полярности подключения, неполярные — могут использоваться как в цепи переменного, так и постоянного тока. При параллельном соединении результирующая емкость суммируется
Это важно знать при подборе необходимой емкости для электрической цепи. Пусковой конденсатор предназначен для кратковременной работы — запуск двигателя
Конденсатор представляет собой пассивный электронный компонент, который имеет два полюса с определенным или переменным значением емкости. Еще он обладает малой проводимостью
Важно разобраться, для чего нужно конденсатор в электродвигателе и автомобиле , поскольку согласно информации, представленной на форумах, у многих людей неправильное представление по этому поводу, и они просто недооценивают значимость этого устройства
Специфика схем с конденсаторами
Когда подбирают типы включения электромашин при помощи пусковых и рабочих двухполюсников к сети 220 вольт, то выделяют следующие:
- включение в «треугольник»;
- подсоединение в «звезду».
К сведению. Какие отличия между пусковыми и рабочими двухполюсниками? «Пусковыми» называются элементы, применяемые только для запуска, а «рабочими» – используемые в работе постоянно.
В применении емкостных элементов, при подключении 3-х фазного мотора к сети 380 вольт, нет необходимости.

Схемы включения в однофазную сеть
При монтаже однофазного мотора в однофазную линию его запуск осуществляют, используя дополнительную обмотку. Такой двигатель имеет три вывода:
- от рабочей катушки;
- от дополнительной;
- общий вывод для обеих обмоток.
Когда отсутствует маркировка, катушки «прозваниваются» тестером для определения правильности подсоединения.

Тип сборки «Треугольник»
Для присоединения асинхронной трёхфазной машины в однофазную линию возможно применение соединения «треугольник». Пусковая емкость включается согласно схеме.

Тип сборки «Звезда»
Аналогичный принцип сборки цепи запуска 3-х фазного двигателя, обмотки которого соединены «звездой». Когда есть возможность самостоятельно выполнить такое соединение обмоток, то его осуществляют на клеммнике.































