Как все работает
Принцип работы системы зажигания такой: после поворота ключа в положение «1» эл. енергия от АКБ через замок, предохранители и вспомогательное реле поступает на компоненты системы зажигания. При этом импульсы высокого напряжения не генерируются, поскольку датчик момента искрообразования еще не работает.
Поступая на коммутатор, эти импульсы обеспечивают прерывание цепи питания обмотки катушки. В момент разрыва цепи питания в катушке индуцируется импульс высокого напряжения, который по высоковольтным проводам поступает на свечку, что приводит к образованию искры между ее электродами.
Пример
Допустим, А = 0,26 мм; В = 3,75 мм; С = 0,2 мм (для впускного клапана). Тогда: Н = 3,75 + (0,26 — 0,2) = 3,81 мм. В пределах допуска на зазор ±0,05 мм принимаем толщину новой шайбы равной 3.8 мм.
В толкатель клапана устанавливают новую регулировочную шайбу, убирают фиксатор и еще раз проверяют зазор. Если он отрегулирован верно, то щуп толщиной 0,2 или 0,35 мм должен выходить с легким защемлением. Последовательно поворачивая коленчатый вал на полоборота, что соответствует повороту метки на шкиве распределительного вала на 90°, регулируют зазоры у остальных клапанов, согласно очередности, указанной в таблице:
Номера кулачков считать по порядку от шкива распределительного вала.
Основные неисправности
К основным неисправностям и первых 650 кубовых движков и мотора 11113 можно отнести повышенный шум и вибрацию. Повышенный шум проявляется при прогреве двигателя и обуславливается наличием балансирных валов. Шум считается нормальным, хотя и вызывает беспокойство автовладельцев.
Дополнительный шум могут вызывать повышенные клапанные зазоры. Устраняется регулировкой. Вибрация же имеет причину конструктивную и обусловлена работой всего 2-х поршней, которые имеют рабочий ход только за 2 оборота КВ, то есть в процессе работы 1 поршень проворачивает КВ на 360 о .
Прогар прокладки головки цилиндров. Он вызван неточностью изготовления прокладок на заводах и неправильной затяжкой головки блока, допускающий неполное обжатие прокладки. При ремонте не допускается повторное использование этого уплотняющего элемента
Требуется обязательная замена, при этом стоит обращать внимание на поверхность прокладки и в случае обнаружения задиров не стоит ее использовать
Сложности при запуске горячего 750 см 3 двигателя обусловлены диафрагмой топливного насоса и компоновкой моторного отсека. Повышенные рабочие температуры блока двигателя приводят к образованию топливных паров в полостях насоса, а агрегат не предназначен для перекачивания газообразной среды.
Потеря искры. Система искрообразования в цилиндрах выполнена по бесконтактной схеме с применением катушки зажигания. Расположение катушки допускает попадание воды при прохождении луж. Это вызывает отказ элемента, повышающего напряжение, и выражается в невозможности запустить двигатель.
Система охлаждения. Имеет те же проблемы, что и все двигатели ВАЗ. Низкое качество исполнение помпы приводит к ее отказу, что в свое время влечет перегрев двигателя. Тоже относится и к надежности термостата. При возникновении проблем требуется замена элементов.
Отказы электронных датчиков. Обусловлены некачественным исполнением электроники российскими производителями, а также низкой культурой сборки силовых агрегатов, допускающих неполную фиксацию датчиков на корпусе мотора.
Ремонт двигателя ОКА может быть выполнен в гаражных условиях при наличии опыта обслуживания и ремонта ДВС российского производства. За исключением специфических элемен6тов ремонт двигателя выполняется с применением комплектующих, используемых для ремонта двигателей ВАЗ 21083 и ВАЗ 21093.
Двигатель ВАЗ 11113
Двигатель Ока 11113 (ВАЗ 11113) появился в процессе доработки силового агрегата ВАЗ 2108 и доведения его рабочего объема до 1500 л.с. Опять же использовалось половинчатое решение. Блоки двигателей и 650 и 750 кубового объема внешне были абсолютно идентичны. Изменения коснулись диаметра поршня, который был увеличен с 76 до 81 мм. Блок двигателя был изменен по внутренней конструкции.
Были утончены перегородки между цилиндрами и устранен дополнительный контур охлаждения камеры сгорания. Силовой агрегат стал более высоконагруженным в температурной части. Этот недостаток на первых этапах приводил к заклиниванию поршней, образованию задиров на стенках цилиндрах и прочих неисправностей, возникающих по причине недостаточного охлаждения.
За счет выполнения доработок мотор 11113 стал более мощным и выдавал уже 35 л.с. и 52 Нм тяги. Двигатель остался карбюраторным и соответствовал экологическим требованиям Евро-0.
Как проверить искру на катушке зажигания
Чтобы убедиться, работает ли вообще катушка, вытащите провод из распределителя-прерывателя, который идет от катушки. С ним проводят тот же тест, что и с проводами свечей, а именно — подводят провод на расстояние 0,5 см и прокручивают стартер. Теперь, вне зависимости от результата, мы можем точно говорить о причине поломки.
В первом случае нужно проверить контакты в распределителе-прерывателе на предмет окисления, нарушения изоляции, а также проверить исправность ротора. В случае, если нет искры из-за него, то ротор подлежит замене.
Проверка катушки зажигания
Если после проверок вы понимаете, что в автомобиле искра есть, но не заводится он, тогда, возможно, замены требует замок зажигания.
Запуск двигателя Жигулей без стартера
Если не работает стартер либо сел аккумулятор, то можно завести Жигули с толкача или с кривого стартера. Каждый из методов рассмотрим подробно по отдельности.
Как завести с толкача
Толкать машину самому можно и по ровной дороге, но там нужна будет определенная техника, лучше действовать если есть горка/уклон.

Как завести машину с толкача
Запустить Жигули с разряженным аккумулятором с толкача самому можно таким способом:
- Включить зажигание.
- Подкачать бензин в карбюратор бензонасосом.
- Немного вытянуть подсос для обогащения смеси.
- Включить нейтраль и выкатить машину на ровный прямой участок.
- Расположиться возле открытой водительской двери, взяться за стойку и разогнать машину до скорости около 10 км/ч.
- Когда скорость набрана – заскочить на сиденье, нажать сцепление и газ, включить вторую передачу (первая быстро гасит скорость из-за высокой частоты движения поршней).
- Как только двигатель начнет схватывать – «поиграть» сцеплением, нажимая и отпуская, чтобы он начал стабильно работать.
При наличии помощника или другой машины все проще. Достаточно:
- Зацепиться тросом или попросить помощника толкать и сесть за руль.
- Когда машина-буксир или помощник наберет скорость – нажать сцепление и включить передачу.
- Как только мотор заработает – нажать сцепление и снова включить нейтраль, остановиться (если толкает человек) или дать сигнал остановки буксирующему и тоже остановиться за ним.
Если имеется хороший уклон – можно просто выкатить машину на него, чтобы она катилась вниз, сразу сесть за руль и начать движение.
Запуск мотора вручную
Еще один способ, как завести Жигули, если не работает стартер – это запуск с «кривого». Так можно запустить старые ВАЗ классического семейства имеющих функцию ручного стартера (есть отверстие в шкиве коленвала и в бампере). Чтобы завести ВАЗ кривым стартером, нужно:

Запуск ВАЗ-а с кривого стартера
- Установить нейтральную передачу.
- Включить зажигание.
- Открыть подсос.
- Подкачать бензин в карбюратор.
- Вставить кривой стартер.
- Взять ручку так, чтобы все пальцы находились с одной стороны (большой вместе с остальными, а не напротив).
- Крутить ручку до запуска (сверху вниз по часовой стрелке).
Держать пальцы вместе нужно для того, чтобы в случае обратной вспышки (если искра пройдет рано и вал двинется не в ту сторону) или подклинивания механизма зацепления не получить травму руки.
Что представляет собой
В современных автомобилях реализована электрическая система пуска двигателя. Также ее часто называют стартерной системой пуска. Одновременно с вращением коленвала в работу включается система ГРМ, зажигания и топливоподачи. Происходит сгорание топливовоздушной смеси в камерах сгорания и поршни проворачивают коленвал. После достижения определенных оборотов коленчатого вала двигатель начинает работать самостоятельно, по инерции.

Запуск двигателя
Чтобы запустить двигатель, нужно достичь определенной частоты вращения коленчатого вала. Для разных типов двигателей это значение отличается. Для бензинового мотора минимально необходимо 40-70 об/мин, для дизельного – 100-200 об/мин.
На начальном этапе автомобилестроения активно использовалась механическая система пуска с помощью заводной рукоятки. Это было ненадежно и неудобно. Сейчас от таких решений отказались в пользу электрической системы запуска.
Устройство двигателя автомобиля
На автомобилях установлены двухцилиндровые, четырехтактные карбюраторные двигатели модели 1111 и 11113 с различным объемом цилиндров. Они имеют рядное расположение цилиндров и распределительный вал, размещенный на головке цилиндров.
Эти два унифицированных двигателя рабочим объемом 649 и 750 см 3 отличаются поршнями и блоком цилиндров (различные диаметры впускных каналов и клапанов), прокладкой головки цилиндров (различные диаметры отверстий под цилиндры) и карбюраторами (различные тарировочные данные). Кроме того, есть отличия в величине уравновешивающих масс маховика, шкива привода генератора и уравновешивающих валов.
Двигатели со степенью сжатия 9,9 работают на автомобильном бензине АИ-93 с октановым числом по исследовательскому методу не менее 93.
Высокие мощностные и экономические показатели двигателей достигнуты за счет использования компактной камеры сгорания, двухкамерного карбюратора, подбором регулировок систем питания и зажигания, подбором формы впускных и выпускных каналов, фаз газораспределения, снижением механических потерь в двигателе в целом.
Цилиндры двигателя объединены вместе с верхней частью картера и представляют собой единую отливку — блок цилиндров. При такой компоновке обеспечиваются прочность конструкции, ее жесткость, компактность, надежность, а также уменьшается масса двигателя.
В нижней части блока цилиндров на трех опорах установлен коленчатый вал. Передний и задний концы коленчатого вала уплотняются самоподжимными резиновыми сальниками.
В каждом цилиндре двигателя имеется по одному впускному и одному выпускному клапану. Поршни 25 имеют по два компрессионных кольца и по одному маслосъемному с пружиной. Соединен поршень с шатуном поршневым пальцем, запрессованным в верхнюю головку шатуна.
Распределительный вал 12 установлен на головке цилиндров и приводится во вращение от коленчатого вала зубчатым ремнем 10. Достоинством привода являются простота конструкции и меньшая масса по сравнению с другими видами передач.
У двухцилиндровых двигателей (каковыми являются двигатели мод. 1111 и 11113) хуже уравновешенность движущихся масс кривошипно-шатунного механизма по сравнению с четырехцилиндровыми. Отсюда выше уровень вибраций двигателя. Если не принять соответствующих мер, то эти вибрации будут оказывать отрицательное воздействие и на кузов автомобиля и на пассажиров. Поэтому для снижения вибраций на двигателях мод. 1111 и 11113 установлены два уравновешивающих вала 31 с правой и левой стороны двигателя, которые приводятся во вращение шестернями от коленчатого вала. Эти валы имеют неуравновешенные массы и при вращении компенсируют инерционные силы от поршня и шатуна. Кроме того, для снижения вибраций на маховике 28 и шкиве 5 привода генератора выполнены односторонние приливы. В результате таких конструктивных мер вибрация двигателей снижена до допустимого уровня.
ВАЗ 1111 | Установка момента зажигания | Ока
Сервисное обслуживание и эксплуатация
Руководства → ВАЗ → 1111 (Ока)
Расположение датчика момента искрообразования:
1 – датчик момента искрообразования 2 – вакуумный регулятор 3 – заглушка люка в картере сцепления 4 – корпус привода вспомогательных агрегатов двигателя
| Вам потребуются |
|
Перед началом работы
Снимите воздушный фильтр.
Угол опережения зажигания проверяют и устанавливают на холостом ходу двигателя (при частоте вращения коленчатого вала 820–900 мин–1). Угол должен быть в пределах 1°± 1° до ВМТ.
При неправильно выставленном угле опережения зажигания двигатель перегревается, не развивает полной мощности, появляется детонация.
| Момент зажигания проверяйте по риске на маховике и шкале держателя заднего сальника коленчатого вала (вынута резиновая заглушка). При совмещении риски на маховике со средним делением (вырезом) на шкале поршень первого цилиндра установлен в ВМТ. Одно деление на шкале соответствует 2° поворота коленчатого вала. |
| Момент зажигания также можно проверить и выставить по меткам на шкиве привода генератора и передней крышке ремня привода распределительного вала. Длинная метка соответствует установке первого цилиндра в ВМТ, короткая – опережению зажигания на 5° поворота коленчатого вала. По этим меткам выставляют момент зажигания на стенде. |
| ПОРЯДОК ВЫПОЛНЕНИЯ |
1. Отсоедините шланг от вакуумного регулятора.
2. Для проверки момента зажигания подсоедините зажим “+” стробоскопа к клемме “+” аккумуляторной батареи, а.
3. . зажим “массы” стробоскопа – к клемме “–” аккумуляторной батареи.
4. Снимите наконечник высоковольтного провода со свечи первого цилиндра и подсоедините его к датчику стробоскопа в соответствии с инструкцией, прилагаемой к стробоскопу.
5. Снимите резиновую заглушку с люка картера сцепления.
6. Пустите двигатель и направьте мигающий поток света стробоскопа в люк картера сцепления.
7. При правильно установленном моменте зажигания метка 1 на маховике должна находиться между средним делением 2 и предыдущим делением 3 шкалы. В противном случае необходимо отрегулировать момент зажигания.
8. Для установки момента зажигания ослабьте затяжку трех гаек крепления датчика момента искрообразования.
9. Для увеличения угла опережения зажигания поверните корпус датчика по часовой стрелке (метку “+” на фланце корпуса датчика – к выступу на корпусе привода вспомогательных агрегатов. При этом одно деление на фланце соответствует 8° поворота коленчатого вала).
10. Для уменьшения угла опережения зажигания поверните корпус датчика против часовой стрелки (метку «-» на фланце корпуса датчика — к выступу на корпусе привода вспомогательных агрегатов). Затяните гайки крепления датчика, проверьте и при необходимости повторите установку момента зажигания. Подсоедините шланг к вакуумному регулятору.
>
Система зажигания
В ее задачу входит подача искры в нужный момент для воспламенения топливовоздушной смеси. Эта составляющая может стать причиной того, что двигатель «троит» (не работает один из цилиндров), не развивает мощности.
В этой системе в первую очередь следует проверять искру на свечах зажигания. Если свечки исчерпали ресурс или одна из них пришла в негодность, система не будет нормально функционировать, из-за чего появятся перебои в работе мотора. «Лечится» все заменой свечек.
Статья в тему — Причины детонации двигателя ОКА
Обычно неисправность кроется в указанных элементах. Но возможно для устранения поломки придется также проверить датчик Холла, катушку, коммутатор, а также все соединения проводки, относящейся к системе зажигания.
Еще одна распространенная проблема, связанная с зажиганием – неправильная установка угла опережения (раннее или позднее зажигание). Первое приводит к осложнению запуска мотора, «грубой» работе двигателя, второе – к падению мощности, приемистости, осложнению запуска, появлению хлопков в карбюратор или выхлопную трубу.
Обслуживание, регулировка
Благодаря простой конструкции и минимального количества электроники, карбюратор на «Ока» является достаточно надежным узлом. Но для поддержания его в полностью работоспособном состоянии, требуется периодическое обслуживание.
Признаками того, что нужен ремонт карбюратора «Ока» являются такие симптомы:
- Затрудненный запуск мотора;
- Неустойчивая работа на ХХ;
- Возникновение провалов, рывков при нагрузке, резком открытии дросселей;
- Падение мощности;
Поскольку такие же симптомы имеют проблемы с системой зажигания, то не лишним будет проверить ее работоспособность вместе с системой питания.
Статья в тему — Система зажигания ОКА: схема и установка
Основным недостатком карбюратора является наличие большого количества каналов и компонентов с отверстиями малого сечения, которые со временем забиваются сором, в них откладываются смолистые отложения, содержащиеся в топливе.
Обслуживание карбюратора сводится к полной разборке, промывке и продувке каналов, жиклеров, трубок. При этом, для прочистки не рекомендуется использовать металлические предметы (иголки, шило), чтобы не повлиять на сечения отверстий, хотя допускается применение для прочистки деревянных предметов (зубочисток).
При несильных загрязнения также помогают спец. средства для чистки карбюраторов, использование которых не требует демонтажа и разборки узла – промывка осуществляется на установленном карбюраторе и заведенном двигателе.
Из возможных поломок узла можно отметить:
- Выход из строя электромагнитного клапана;
- Порыв мембраны ускорительного насоса;
- Износ посадочных отверстий осей дросселей;
- Коробление плоскости корпуса дросселей из-за неравномерной затяжки;
Настроек у ДААЗ «Ока» не так уж и много – регулируется уровень в поплавковой камере и обороты ХХ.
Первая операция выполняется так:
- Демонтируем крышку;
- Замеряем высоту выступа вершины запорной иглы над плоскостью крышки, держа крышку строго горизонтально (чтобы игла «смотрела» вниз). Нормальным считается высота выступа 10 мм. Если показатель не соответствует, нужно добавить прокладку под седло иголки;
- Ставим крышку на место;
- Ручной подкачкой насоса закачивает топливо в карбюратор (нужно его заполнить полностью);
- Снимаем крышку;
- Замеряем расстояние от поверхности топлива до верхней плоскости корпуса. При нормальной регулировке этот показатель должен соответствовать 23-24 мм. Если расстояние больше или меньше, регулируем путем подгибания язычка на поплавке (для уменьшения количества – подгибаем вверх, а для увеличения – вниз).
Регулировка оборотов ХХ выполняется винтом качества. Работы следует выполнять на прогретом моторе и с включенными электроприборами (чтобы создать нагрузку). Суть регулировки сводится к тому, что нужно вращая винт добиться оборотов мотора на уровне 800-1000 об/мин.
Пошаговые инструкции по запуску мотоблока
После всех проверок вы убедитесь, что масло достаточно заполнено, что бензин или дизельное топливо соответствуют модели вашего внедорожного трактора, и что все крепежные элементы и системы находятся в хорошем рабочем состоянии. Теперь расскажем, как запустить мотоблок:
Как видно из вышесказанного, бензиновые и дизельные мотоблоки работают по-разному
Важно внимательно прочитать инструкцию по эксплуатации и строго следовать рекомендациям производителя. Вам также нужно использовать только качественное топливо и масло, которое подходит для вашего типа мотоблока в своем роде
И тогда у вас не возникнет проблем при запуске и дальнейшей работе над машиной.
Работа любого двигателя начинается с его запуска. Но беда в том, что, совершив покупку, новые владельцы понятия не имеют, как правильно запустить мотоблок. Парадокс заключается в том, что производители применяют пошаговые инструкции к каждой копии своей продукции, детализируя последовательность операций по эксплуатации и обслуживанию своего потомства, а покупатель настойчиво игнорирует эти рекомендации, полагая, что он уже все знает.
Запуск мотора при помощи системы
Для использования функции автоматического или дистанционного запуска силовой установки в процессе монтажа системы должен быть определен тип коробки передач авто. Это связано с тем, что ручная коробка передач нуждается в дополнительной разрезке петли расположенной на центральном блоке, а автоматическая коробка передач подразумевает сохранение этой петли.
Для определения типа двигателя авто необходимо дополнительно запрограммировать задержку включения стартера после зажигания.
Дистанционная активация силовой установки не проводится в случае:
- Установки ручки переключения передач в нейтральном положении.
- Работающего зажигания.
- Открытого капота.
- Отключенного стояночного тормоза.
Перед активацией дистанционного или автоматического режима запуска на авто с механической коробкой передач необходимо активировать «программную нейтраль». Эта функция защитит авто от активации при включенной передаче.
Последовательность действий для активации «программной нейтрали»:
- Остановка авто, без выключения зажигания;
- Перемещение рычага переключения скоростей в нейтральное положение;
- Перевод авто на стояночный тормоз;
- Зажатие кнопки брелока, до появления звукового сигнала;
- Отключение зажигания и вынимание ключа из замка. (Двигатель должен продолжать функционировать);
- Выход из авто и закрывание дверей.
После закрытия дверей двигатель заглушиться в автоматическом режиме и активируется охранный режим с запиранием замков. Такая нехитрая последовательность действий подготовит авто к запуску.
Активация дистанционного запуска производится при помощи нажатия 2 кнопки брелока и выбора специальной иконки. Также можно зажать 1 кнопку брелока на несколько секунд, такая активация возможна в любом режиме охраны.
Программой предусмотрено 4 попытки запуска двигателя при каждой, из которых время работы стартера увеличивается. Начальное значение прокрутки стартера выставляется вручную. Оно может равняться:
- 800 мс.
- 1200мс.
- 1800 мс.
- 3000 мс.
При успешной активации, повторные попытки не выполняются. Если авто запускается до истечения времени максимальной прокрутки стартера, то силовая установка запускается досрочно.
Если все попытки запуска были неудачными, то брелок подаст несколько звуковых сигналов, которые подтвердят окончание процесса.
Весь процесс запуска отображается на дисплее брелока сигнализации Старлайн:
- При попытке активации индицируется состояние авто и загорается надпись;
- При работающей силовой установке отображается специальная иконка и время прогрева;
- Если до окончания прогрева осталось менее 1 минуты отображается значок – r01.
- После окончания прогрева отображается r00.
Видео: почему не заводится, троит, дергается, глохнет машина ВАЗ?
Каждый владелец автомобиля Ока хоть раз сталкивался с ситуацией, когда она двигатель не запускался. Большинство проблем появляется именно в зимний период времени, нежели летом.
Что же делать в подобных случаях? Как быстро ликвидировать главную причину неисправности? В данной статье будет рассказано о различных причинах, по которым Ока не заводится и способах их решения.
ВНИМАНИЕ! Найден совершенно простой способ сократить расход топлива! Не верите? Автомеханик с 15-летним стажем тоже не верил, пока не попробовал. А теперь он экономит на бензине 35 000 рублей в год! Читать дальше»

Ока была произведена впервые в Советском Союзе на Волжском заводе. Автомобиль оотносится к легковым. Всего выпущено около 700 000 экземпляров с разных заводов России. Специалисты тщательно тестировали машины, перед тем как они попадут в продажу. Их проверяли на устойчивость, удобство, мощность и выносливость самыми разнообразными способами.

Тюнинг фар для Оки

Тюнинг оптики Оки – один из важных элементов, влияющих на внешний вид автомобиля. Действенным методом преображения фар является установка накладок. Их можно купить или сделать самостоятельно. Перед тем необходимо поставить светодиодные лампы и отполировать фары. Есть возможность полной замены оптических приборов. Для установки продвинутой модели потребуется доработка кузова.
Какие еще приемы можно применить для изменения внешнего вида фар:
- Изменение дизайна обода фары – нанесение блестящего покрытия, стилизованного под хром
- Доработка подложки фары
- Украшение светодиодными лентами, чаще всего они напоминают ресницы, но можно расположить их внизу и придать автомобилю агрессивный вид
Тюнинг задних фонарей Оки осуществляется в основном за счет установки накладок. При этом стоит помнить, что они не должны нанести ущерб безопасности – фонари в любом случае остаются хорошо заметными.
Механизм равновесия
Данный механизм создан для того, чтобы снизить сильную вибрацию двигателя. Конструкция устроена достаточно прочно и надежно. Главной поломкой является нарушение зубчатого колеса. Ситуация разрешается с помощью замены диска с зубьями.

В результате следует сказать, что большинство приведенных ситуаций можно избежать, если качественно осуществлять техническое обслуживание за автомобилем и в частности двигателем. Ока считается достаточно капризной машиной, поэтому за ней рекомендуется постоянно следить, ухаживать, чтобы она всегда была на ходу и выручала в нужный момент.
Устройство мотоблока
Все существующие мотоблоки Ока имеют следующее устройство:
В зависимости от модификации, мотоблоки “Ока” могут комплектоваться различными двигателями:
Общее для всех перечисленных силовых установок:
Заводить мотор необходимо правильно, согласно указанному в инструкции алгоритму. При несоблюдении определенных действий велик риск выхода из строя двигателя. Предлагаем посмотреть короткое видео о том, как завести мотоблок Ока:
Устройство редуктора
Мотоблочный редуктор передает крутящий момент от двигателя к колесному приводу. Его конструкция следующая:
Предлагаем изучить схему редуктора мотоблока Ока в разрезе:
Какой можно поставить редуктор на мотоблок Ока?
Лучше всего использовать цепной разборной редуктор, который состоит из разборного корпуса с болтовыми соединениями. В отличие от неразборного редуктора, такой механизм легко поддается ремонту и прослужит не один год. На более мощную технику может быть установлен шестеренчатый редуктор, червячный в мотоблоках практикуется редко.
Устройство и принцип работы карбюратора
Карбюраторы – газораспределяющие устройства, присущие бензиновым двигателям. Функция карбюратора заключается в следующем:
Предлагаем ознакомиться со схемой карбюратора для Оки:
Механизм газораспределения Оки
Если провести сравнение старых моторов вазовской классики с цепным приводом ГРМ, то можно заметить существенные отличия в конструкции привода. Громоздкую металлическую цепь заменили зубчатым ремнём. Конструкция блока цилиндров стала короче и легче, так как исчез проём для цепи в механизме привода ГРМ. Конструкторы изменили принцип открытия клапанов, он стал проще. Если на старых моторах кулачок распределительного вала давил на стержень клапана через коромысло, то теперь он воздействует на него через регулировочную шайбу. Тепловой зазор выставляют на холодном двигателе подбором шайбы нужной толщины. Производители изготавливают их с разными размерами, значение которых наносят на торцах шайбы. Если регулировка теплового зазора производится водителем самостоятельно, ему придётся приобретать некоторое количество таких шайб, что не всегда экономически целесообразно.
Неисправности при подаче топлива
довольно легко обнаружить, что машина перестает двигаться из-за «заливки» двигателя топливной смесью — при длительной поездке вы обнаружите постоянно активный сигнал от датчика, отвечающего за эту функцию.
Проблема здесь в некачественном топливе, которое не может быстро «воспламениться» свечами зажигания. Также может сказаться несоответствие бензина октановому числу, указанному в характеристиках автомобиля. Если возникнет проблема с топливом, педаль акселератора будет нажата до упора, и автомобиль не начнет набирать обороты. Также автомобиль будет периодически останавливаться при включении сцепления.
Еще один симптом проблем с топливом — появление проблем с автомобилем после заправки. Проблема характеризуется быстрым падением мощности при работе двигателя на полностью открытой дроссельной заслонке, а также при постоянном переключении передач. Выход из ситуации — полностью слить плохую топливную смесь, промыть двигатель и все патрубки топливной системы.
- Грязь в топливном фильтре;
- Проблемы с форсунками форсунок;
- Грязные дроссельные заслонки;
- Перебои в подаче электроэнергии бензонасоса.
Главный симптом при неисправности этих деталей — постепенное снижение мощности двигателя автомобиля, после чего автомобиль заглохнет даже после сильного нажатия на педаль акселератора. Если вы случайно отпустите сцепление при переключении передач, двигатель также остановится.
О загрязнении топливного фильтра и топливного насоса можно судить по нестабильной работе машины даже на холостом ходу и резком торможении (когда подача топливной смеси уменьшается). И если исправность топливных фильтров легко установить при внешнем осмотре и устранить путем их замены, то для выявления оставшихся причин требуется полноценная компьютерная диагностика, которую можно провести только в автосервисе.
Еще одна причина заглохшего автомобиля, связанная с работой бензонасоса, — закипание бензина в топливном насосе. В основном это происходит в жаркую погоду при медленном движении автомобилей или стоянии на трассе в «пробках». Автомобиль начнет глохнуть в движении, но когда вы включаете холостой ход и нажимаете сцепление, он снова заводится.
В случае закипания лучше остановиться в пробке с выключенным двигателем и постепенно остудить машину. Через 5-10 минут машина снова станет устойчивой.
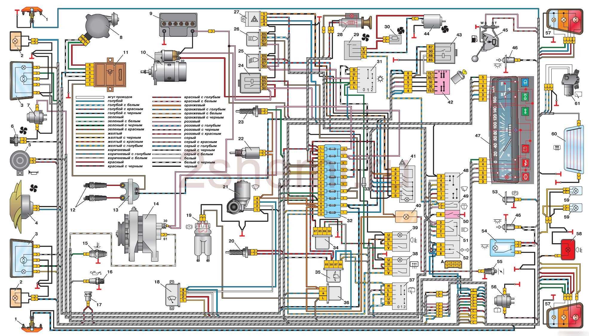
Электросхема ВАЗ-11113
Второй вариант принципиальной схемы электрооборудования автомобиля ВАЗ-1111, ВАЗ-11113 Лада-Ока.

1 – боковой повторитель указателя поворота;
2 – передний указатель поворота;
3 – фара Лада Ока;
4 – электродвигатель вентилятора системы охлаждения;
5 – звуковой сигнал;
6 – датчик включения электродвигателя вентилятора;
7 – электродвигатель омывателя ветрового стекла;
8 – датчик момента искрообразования;
9 – аккумуляторная батарея;
10 – стартер;
11 – коммутатор;
12 – свечи зажигания;
13 – катушка зажигания;
14 – генератор;
15 – датчик указателя температуры охлаждающей жидкости;
16 – датчик контрольной лампы недостаточного давления масла;
17 – розетка для переносной лампы;
18 – реле стеклоочистителя;
19 – датчик уровня тормозной жидкости;
20 – выключатель сигнала торможения;
21 – электродвигатель очистителя ветрового стекла;
22 – электромагнитный клапан карбюратора;
23 – выключатель света заднего хода;
24 – реле включения стартера;
25 – реле включения ближнего света фар;
26 – реле включения дальнего света фар;
27 – реле-прерыватель аварийной сигнализации и указателей поворота;
28 – прикуриватель Лада Ока;
29 – переключатель вентилятора отопителя;
30 – дополнительный резистор электродвигателя отопителя;
31 – выключатель наружного освещения;
32 – блок предохранителей;
33 – предохранитель цепи противотуманного фонаря;
34 – реле включения обогрева заднего стекла;
35 – реле включения электродвигателя вентилятора системы охлаждения;
36 – реле-прерыватель контрольной лампы включения стояночного тормоза;
37 – выключатель очистителя и омывателя заднего стекла;
38 – выключатель обогрева заднего стекла;
39 – выключатель заднего противотуманного фонаря;
40 – контрольная лампа прикрытия воздушной заслонки карбюратора;
41 – выключатель аварийной сигнализации;
42 – выключатель зажигания;
43 – реле зажигания;
44 – электродвигатель вентилятора отопителя;
45 – датчик указателя уровня топлива;
46 – выключатель плафона в стойке двери;
47 – комбинация приборов;
48 – переключатель очистителя ветрового стекла;
49 – выключатель омывателя ветрового стекла;
50 – выключатель звукового сигнала;
51 – переключатель света фар;
52 – переключатель указателей поворота;
53 – выключатель контрольной лампы включения стояночного тормоза;
54 – плафон освещения салона;
55 – выключатель контрольной лампы прикрытия воздушной заслонки карбюратора;
56 – электродвигатель омывателя стекла задней двери;
57 – задний фонарь;
58 – задний противо туманный фонарь;
59 – фонарь освещения номерного знака;
60 – элемент обогрева стекла задней двери;
61 – электродвигатель очистителя стекла задней двери;
А – порядок нумерации контактов в соединительных колодках.
Система воздушного пуска двигателя
Система воздушного пуска является еще одним решением, которое позволяет прокручивать коленчатый вал ДВС. Для запуска мотора используется сжатый воздух. При этом такое пневматическое оборудование, как правило, на автомобилях и другой технике не используется, однако пусковые системы данного типа можно встретить на стационарных двигателях внутреннего сгорания.
Если говорить о конструкции, устройство системы воздушного пуска двигателя предполагает наличие следующих элементов:
- воздушный баллон;
- электроклапаны;
- маслоотстойник;
- обратный клапан;
- воздухораспределитель;
- пусковые клапаны;
- трубопроводы;
Принцип работы системы воздушного запуска ДВС основан на том, что сжатый в воздушном баллоне воздух под давлением подается в коробку-распределитель, далее проходит через фильтры в редуктор и поступает к электропневмоклапану.
Далее необходимо нажать кнопку «пуск», после чего клапан открывается, затем воздух из воздухораспределителя проходит через пусковые клапаны и попадает в цилиндры двигателя, создавая давление и раскручивая коленвал. Когда обороты достигают нужной частоты, двигатель запускается.
Добавим, что такие силовые установки дополнительно оснащены электрической системой пуска от стартера, что позволяет завести агрегат в том случае, если с воздушным пуском, который является основным способом, имеются какие-либо проблемы или произошла поломка.
«Ока» СеАЗ
В 2006 году подразделение малолитражных автомобилей в Набережных Челнах была продано , и поэтому производство «маленького Камаза» была свергнуто, и «Ока» выпускалась теперь только на Серпуховском заводе. Но спрос на морально устаревший автомобиль был уже не тот, и чтобы как-то вызвать интерес у покупателей, на СеАЗ приняли решение модернизировать марку.
В 2006 году «Ока» стала комплектоваться двигателем китайского производства объемом 1,0 л, модификация получила название СеАЗ-11116. Но спрос на машину падал, к тому же выпускать малолитражку было нерентабельно, и в 2008 году серийное производство модели было прекращено.































